
● 20 ゜ ポジインサート使用のハイレーキ刃形。
● 一般鋼、軟鋼、ステンレス鋼、軽合金切削の汎用カッタ。
● 高剛性設計、 高い部品精度と不等分割刃の採用により 、 仕上げ面精度が良い。
・ High-rake flute shape using 20° positive inserts.
・ General-purpose cutter for common steel, soft steel, stainless steel, and light alloys.
・ Use of high-strength design, high-accuracy parts, and asymmetric flutes provide good finish surface accuracy
![]()
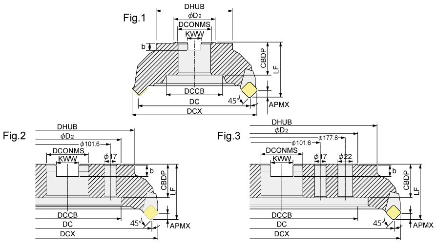
| 商品コード Item code |
在庫 Stock |
刃数 No.of flutes |
寸法 Size (mm) | 重量 Weight (kg) |
形状 Shape |
取付部 Mounting |
適用インサート Inserts |
|||||||||||
|---|---|---|---|---|---|---|---|---|---|---|---|---|---|---|---|---|---|---|
| DC | LF | DCX | DCONMS | DCCB | CBDP | APMX | KWW | b | ΦD₂ | DHUB | ||||||||
| R | L | |||||||||||||||||
| A45E-4080R/L | ● | 4 | 80 | 50 | 93 | 25.4 | 34 | 26 | 5.5 | 9.5 | 6 | – | 55 | 1.4 | Fig.1 | アーバ方式 Arbor type |
(Link) |
|
| A45E-4100R/L | ● | 5 | 100 | 63 | 113 | 31.75 | 45 | 32 | 5.5 | 12.7 | 8 | – | 65 | 2.4 | ||||
| A45E-4125R/L | ● | 6 | 125 | 63 | 138 | 38.1 | 63 | 38 | 5.5 | 15.9 | 10 | – | 85 | 3.6 | ||||
| A45E-4160R/L | ● | 8 | 160 | 63 | 173 | 50.8 | 90 | 38 | 5.5 | 19.1 | 11 | – | 105 | 5.5 | ||||
| A45E-4200R/L | ● | 10 | 200 | 63 | 213 | 47.625 | 130 | 38 | 5.5 | 25.4 | 14 | 130 | 160 | 9.0 | Fig.2 | センタリング プラグ方式 Direct-mounting type |
||
| A45E-4250R/L | ● | 12 | 250 | 63 | 263 | 47.625 | 140 | 38 | 5.5 | 25.4 | 14 | 130 | 200 | 14.9 | ||||
| A45E-4315R/L | ● | 14 | 315 | 63 | 328 | 47.625 | 220 | 38 | 5.5 | 25.4 | 14 | 220 | 260 | 22.0 | Fig.3 | |||
| A45E-5100R/L | ● | 5 | 100 | 63 | 118 | 31.75 | 45 | 32 | 7.5 | 12.7 | 8 | – | 75 | 2.9 | Fig.1 | アーバ方式 Arbor type |
(Link) |
|
| A45E-5125R/L | ● | 6 | 125 | 63 | 143 | 38.1 | 62 | 38 | 7.5 | 15.9 | 10 | – | 95 | 4.3 | ||||
| A45E-5160R/L | ● | 8 | 160 | 63 | 178 | 50.8 | 88 | 38 | 7.5 | 19.1 | 11 | 105 | 130 | 6.7 | ||||
| A45E-5200R/L | ● | 10 | 200 | 63 | 218 | 47.625 | 130 | 38 | 7.5 | 25.4 | 14 | 130 | 170 | 10.2 | Fig.2 | センタリング プラグ方式 Direct-mounting type |
||
| A45E-5250R/L | ● | 12 | 250 | 63 | 268 | 47.625 | 140 | 38 | 7.5 | 25.4 | 14 | 130 | 210 | 16.0 | ||||
【注意】アーバ用ねじは付属しません。【Note】Arbor screw is not included.

●印:標準在庫品です。●:Stocked items.
△印:在庫がなくなり次第販売を終了します。△:The sale ends when all the stock is out.
無印:弊社営業へお問合せください。No mark:Contact with our sales department.
−印:製作致しません。−: Not manufactured.
| แบรนด์สินค้า | MOLDINO |
|---|
