Specification

Tapping Speeds depending on Materials


Segment:1E
|
Size |
Class |
Code |
Chamfer |
Basic major dia (mm) |
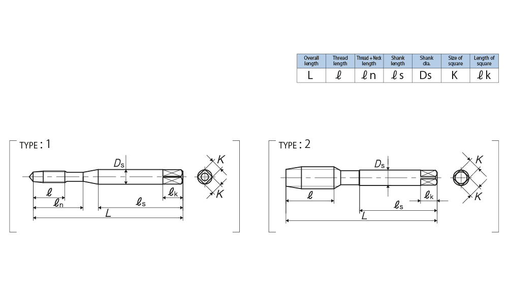
L (mm) |
ℓ (mm) |
ℓn (mm) |
ℓs (mm) |
Ds (mm) |
K (mm) |
ℓk (mm) |
No. of flutes |
TYPE |
|
For Metric Threads |
|||||||||||||
|
M3×0.5 |
Ⅰb |
PW3.0G1LEB |
5P |
3.650 |
52 |
7.5 |
17 |
29 |
5 |
4 |
7 |
3 |
1 |
|
M4×0.7 |
Ⅰb |
PW4.0I1LEB |
5P |
4.909 |
60 |
13 |
22 |
33 |
5.5 |
4.5 |
7 |
3 |
1 |
|
M5×0.8 |
Ⅰb |
PW5.0K1LEB |
5P |
6.039 |
62 |
15 |
26 |
33 |
6 |
4.5 |
7 |
3 |
1 |
|
M6×1 |
Ⅰb |
PW6.0M1LEB |
5P |
7.299 |
70 |
19 |
- |
36 |
6.2 |
5 |
8 |
3 |
2 |
|
M8×1.25 |
Ⅰb |
PW8.0N1LEB |
5P |
9.624 |
75 |
23 |
- |
38 |
7 |
5.5 |
8 |
3 |
2 |
|
M10×1.5 |
Ⅰb |
PW010O1LEB |
5P |
11.948 |
82 |
26 |
- |
42 |
8.5 |
6.5 |
9 |
3 |
2 |
|
M12×1.75 |
Ⅰb |
PW012P1LEB |
5P |
14.273 |
95 |
26 |
- |
48 |
12.5 |
10 |
13 |
3 |
2 |
| แบรนด์สินค้า | YAMAWA |
|---|
