Product Features
Tapping Data
Tapping conditions [AUSP G 1/4-19]
| Workpiece Materials | SUS304 | ![]() |
| Tapping Speed | 5m/min | |
| Machine | Machining center | |
| Holder | Fixed | |
| Tapping Fluid | Water soluble cutting fluid |
・Compatible with tapping of a wide range of work materials
AUSP G Standard tapping conditions
| Workpiece Materials | Standard Tapping Speed(m/min) | |
| Stainless Steels | SUS304 | 〜 3 |
| Alloy Steels | SCM/SCr | 5〜15 |
| High Carbon Steels | S45C⁓ | 5〜15 |
| Medium Carbon Steels | S25C〜S45C | 5〜15 |
| Low Carbon Steels | 〜S20C/SS400 | 5〜15 |
| Aluminum Alloy Casting/ Zinc Alloy Casting |
AC/ADC/ZDC | 5〜15 |

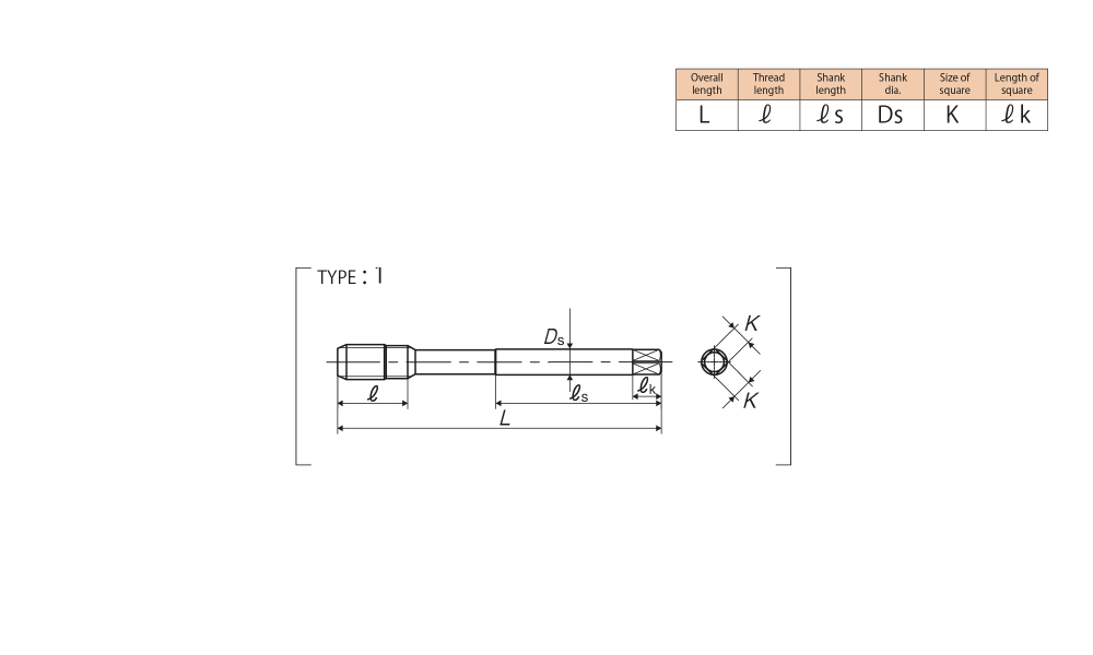
Specification

Tapping Speeds depending on Materials


Segment:1G
|
Size |
Class |
Code |
Chamfer |
Basic major dia (mm) |
L (mm) |
ℓ (mm) |
ℓs (mm) |
Ds (mm) |
K (mm) |
ℓk (mm) |
No. of flutes |
TYPE |
|
For Pipe Threads |
||||||||||||
|
G 1/8-28 |
P3 |
SJG0020FET |
2.5P |
9.728 |
90 |
15 |
46 |
8 |
6 |
9 |
3 |
1 |
|
G 1/4-19 |
P3.5 |
SJG0040FET |
2.5P |
13.157 |
100 |
19 |
51 |
11 |
9 |
12 |
3 |
1 |
|
G 3/8-19 |
P3.5 |
SJG0060FET |
2.5P |
16.662 |
100 |
21 |
51 |
14 |
11 |
14 |
3 |
1 |
|
G 1/2-14 |
P4 |
SJG0080FET |
2.5P |
20.955 |
125 |
26 |
64 |
18 |
14 |
17 |
4 |
1 |
|
G 3/4-14 |
P4 |
SJG0120FET |
2.5P |
26.441 |
140 |
28 |
71 |
23 |
17 |
20 |
4 |
1 |
|
G 1 -11 |
P5 |
SJG0160FET |
2.5P |
33.249 |
160 |
33 |
82 |
26 |
21 |
24 |
4 |
1 |
| แบรนด์สินค้า | YAMAWA |
|---|
