Product Features
Tapping Data
Tapping conditions [AUSP Rc 1/4-19]
| Workpiece Materials | SS400 |
|
| Tapping Speed | 5m/min | |
| Machine | Machining center | |
| Holder | With tension and compression | |
| Tapping Fluid | Water soluble cutting fluid |
・Compatible with tapping of a wide range of work materials
AUSP Rc Standard tapping conditions
| Workpiece Materials | Standard Tapping Speed(m/min) |
| Stainless Steels SUS304 | 〜3 |
| Alloy Steels SCM/SCr | 〜5 |
| High Carbon Steels S45C〜 | 〜7 |
| Medium Carbon Steels S25C〜S45C | 〜7 |
| Low Carbon Steels 〜S20C/SS400 | 〜7 |
| Aluminum Alloy Casting/ Zinc Alloy Casting AC/ADC/ZDC |
〜10 |
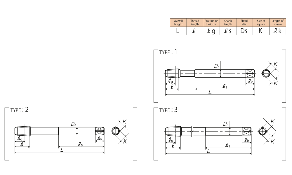
Specification

Tapping Speeds depending on Materials


Segment:1G
|
Size |
Code |
Chamfer |
Basic major dia (mm) |
L (mm) |
ℓ (mm) |
ℓg (mm) |
ℓs (mm) |
Ds (mm) |
K (mm) |
ℓk (mm) |
No. of flutes |
TYPE |
|
For Pipe Threads |
||||||||||||
|
Rc 1/16-28 |
SJRC010FET |
2.5P |
7.723 |
90 |
14 |
10.1 |
60 |
8 |
6 |
9 |
3 |
1 |
|
Rc 1/8-28 |
SJRC020FET |
2.5P |
9.728 |
90 |
15 |
10.1 |
46 |
8 |
6 |
9 |
3 |
2 |
|
Rc 1/4-19 |
SJRC040FET |
2.5P |
13.157 |
100 |
19 |
15 |
51 |
11 |
9 |
12 |
3 |
2 |
|
Rc 3/8-19 |
SJRC060FET |
2.5P |
16.662 |
100 |
21 |
15.4 |
51 |
14 |
11 |
14 |
3 |
2 |
|
Rc 1/2-14 |
SJRC080FET |
2.5P |
20.955 |
125 |
26 |
20.5 |
64 |
18 |
14 |
17 |
4 |
2 |
|
Rc 3/4-14 |
SJRC120FET |
2.5P |
26.441 |
140 |
28 |
21.8 |
71 |
23 |
17 |
20 |
4 |
2 |
|
Rc 1 -11 |
SJRC160FET |
2.5P |
33.249 |
160 |
33 |
26 |
82 |
26 |
21 |
24 |
4 |
2 |
| แบรนด์สินค้า | YAMAWA |
|---|
