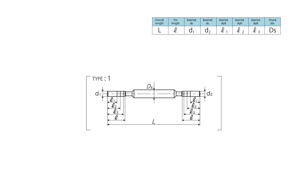
Specification


Segment:7C
|
Size |
Code |
L (mm) |
ℓ (mm) |
d1 (Thread engagement ratio) |
d2 (Thread engagement ratio) |
ℓ1 (mm) |
ℓ2 (mm) |
ℓ3 (mm) |
Ds (mm) |
TYPE |
|
For Unified Threads |
||||||||||
|
No.2-56UNC |
CPCSUN2EA |
41.5 |
5.5 |
1.695 (100%) |
1.742 (90%) |
3.3 |
4.4 |
5.5 |
3 |
1 |
|
No.2-56UNC |
CPCSUN2EB |
41.5 |
5.5 |
1.718 (95%) |
1.767 (85%) |
3.3 |
4.4 |
5.5 |
3 |
1 |
|
No.2-56UNC |
CPCSUN2EC |
41.5 |
5.5 |
1.742 (90%) |
1.791 (80%) |
3.3 |
4.4 |
5.5 |
3 |
1 |
|
No.2-56UNC |
CPCSUN2ED |
41.5 |
5.5 |
1.767 (85%) |
1.816 (75%) |
3.3 |
4.4 |
5.5 |
3 |
1 |
|
No.2-56UNC |
CPCSUN2EE |
41.5 |
5.5 |
1.791 (80%) |
1.840 (70%) |
3.3 |
4.4 |
5.5 |
3 |
1 |
|
No.2-56UNC |
CPCSUN2EF |
41.5 |
5.5 |
1.816 (75%) |
1.865 (65%) |
3.3 |
4.4 |
5.5 |
3 |
1 |
|
No.2-56UNC |
CPCSUN2EM |
5 piece set consists of CPCSUN2EB ~ CPCSUN2EF(95%〜65%) |
||||||||
|
No.2-56UNC |
CPCSUN2ES |
5 piece set consists of CPCSUN2EA ~ CPCSUN2EE(100%〜70%) |
||||||||
|
No.2-64UNF |
CPCSUN2DA |
41.5 |
5.5 |
1.756 (100%) |
1.797 (90%) |
3.3 |
4.4 |
5.5 |
3 |
1 |
|
No.2-64UNF |
CPCSUN2DB |
41.5 |
5.5 |
1.776 (95%) |
1.819 (85%) |
3.3 |
4.4 |
5.5 |
3 |
1 |
|
No.2-64UNF |
CPCSUN2DC |
41.5 |
5.5 |
1.797 (90%) |
1.840 (80%) |
3.3 |
4.4 |
5.5 |
3 |
1 |
|
No.2-64UNF |
CPCSUN2DD |
41.5 |
5.5 |
1.819 (85%) |
1.862 (75%) |
3.3 |
4.4 |
5.5 |
3 |
1 |
|
No.2-64UNF |
CPCSUN2DE |
41.5 |
5.5 |
1.840 (80%) |
1.883 (70%) |
3.3 |
4.4 |
5.5 |
3 |
1 |
|
No.2-64UNF |
CPCSUN2DF |
41.5 |
5.5 |
1.862 (75%) |
1.905 (65%) |
3.3 |
4.4 |
5.5 |
3 |
1 |
|
No.2-64UNF |
CPCSUN2DM |
5 piece set consists of CPCSUN2DB ~ CPCSUN2DF(95%〜65%) |
||||||||
|
No.2-64UNF |
CPCSUN2DS |
5 piece set consists of CPCSUN2DA ~ CPCSUN2DE(100%〜70%) |
||||||||
|
No.3-48UNC |
CPCSUN3FA |
45 |
7.5 |
1.941 (100%) |
1.999 (90%) |
3.8 |
5 |
6.3 |
3 |
1 |
|
No.3-48UNC |
CPCSUN3FB |
45 |
7.5 |
1.971 (95%) |
2.028 (85%) |
3.8 |
5 |
6.3 |
3 |
1 |
|
No.3-48UNC |
CPCSUN3FC |
45 |
7.5 |
1.999 (90%) |
2.057 (80%) |
3.8 |
5 |
6.3 |
3 |
1 |
|
No.3-48UNC |
CPCSUN3FD |
45 |
7.5 |
2.028 (85%) |
2.085 (75%) |
3.8 |
5 |
6.3 |
3 |
1 |
|
No.3-48UNC |
CPCSUN3FE |
45 |
7.5 |
2.057 (80%) |
2.114 (70%) |
3.8 |
5 |
6.3 |
3 |
1 |
|
No.3-48UNC |
CPCSUN3FF |
45 |
7.5 |
2.085 (75%) |
2.143 (65%) |
3.8 |
5 |
6.3 |
3 |
1 |
|
No.3-48UNC |
CPCSUN3FM |
5 piece set consists of CPCSUN3FB ~ CPCSUN3FF(95%〜65%) |
||||||||
|
No.3-48UNC |
CPCSUN3FS |
5 piece set consists of CPCSUN3FA ~ CPCSUN3FE(100%〜70%) |
||||||||
|
No.3-56UNF |
CPCSUN3EA |
45 |
7.5 |
2.025 (100%) |
2.073 (90%) |
3.8 |
5 |
6.3 |
3 |
1 |
|
No.3-56UNF |
CPCSUN3EB |
45 |
7.5 |
2.049 (95%) |
2.098 (85%) |
3.8 |
5 |
6.3 |
3 |
1 |
|
No.3-56UNF |
CPCSUN3EC |
45 |
7.5 |
2.073 (90%) |
2.122 (80%) |
3.8 |
5 |
6.3 |
3 |
1 |
|
No.3-56UNF |
CPCSUN3ED |
45 |
7.5 |
2.098 (85%) |
2.147 (75%) |
3.8 |
5 |
6.3 |
3 |
1 |
|
No.3-56UNF |
CPCSUN3EE |
45 |
7.5 |
2.122 (80%) |
2.171 (70%) |
3.8 |
5 |
6.3 |
3 |
1 |
|
No.3-56UNF |
CPCSUN3EF |
45 |
7.5 |
2.147 (75%) |
2.196 (65%) |
3.8 |
5 |
6.3 |
3 |
1 |
|
No.3-56UNF |
CPCSUN3EM |
5 piece set consists of CPCSUN3EB ~ CPCSUN3EF(95%〜65%) |
||||||||
|
No.3-56UNF |
CPCSUN3ES |
5 piece set consists of CPCSUN3EA ~ CPCSUN3EE(100%〜70%) |
||||||||
|
No.4-40UNC |
CPCSUN4HA |
45 |
7.5 |
2.157 (100%) |
2.226 (90%) |
4.3 |
5.7 |
7.1 |
3 |
1 |
|
No.4-40UNC |
CPCSUN4HB |
45 |
7.5 |
2.192 (95%) |
2.261 (85%) |
4.3 |
5.7 |
7.1 |
3 |
1 |
|
No.4-40UNC |
CPCSUN4HC |
45 |
7.5 |
2.226 (90%) |
2.295 (80%) |
4.3 |
5.7 |
7.1 |
3 |
1 |
|
No.4-40UNC |
CPCSUN4HD |
45 |
7.5 |
2.261 (85%) |
2.329 (75%) |
4.3 |
5.7 |
7.1 |
3 |
1 |
|
No.4-40UNC |
CPCSUN4HE |
45 |
7.5 |
2.295 (80%) |
2.364 (70%) |
4.3 |
5.7 |
7.1 |
3 |
1 |
|
No.4-40UNC |
CPCSUN4HF |
45 |
7.5 |
2.329 (75%) |
2.398 (65%) |
4.3 |
5.7 |
7.1 |
3 |
1 |
|
No.4-40UNC |
CPCSUN4HM |
5 piece set consists of CPCSUN4HB ~ CPCSUN4HF(95%〜65%) |
||||||||
|
No.4-40UNC |
CPCSUN4HS |
5 piece set consists of CPCSUN4HA ~ CPCSUN4HE(100%〜70%) |
||||||||
|
No.4-48UNF |
CPCSUN4FA |
45 |
7.5 |
2.271 (100%) |
2.329 (90%) |
4.3 |
5.7 |
7.1 |
3 |
1 |
|
No.4-48UNF |
CPCSUN4FB |
45 |
7.5 |
2.301 (95%) |
2.358 (85%) |
4.3 |
5.7 |
7.1 |
3 |
1 |
|
No.4-48UNF |
CPCSUN4FC |
45 |
7.5 |
2.329 (90%) |
2.387 (80%) |
4.3 |
5.7 |
7.1 |
3 |
1 |
|
No.4-48UNF |
CPCSUN4FD |
45 |
7.5 |
2.358 (85%) |
2.415 (75%) |
4.3 |
5.7 |
7.1 |
3 |
1 |
|
No.4-48UNF |
CPCSUN4FE |
45 |
7.5 |
2.387 (80%) |
2.444 (70%) |
4.3 |
5.7 |
7.1 |
3 |
1 |
|
No.4-48UNF |
CPCSUN4FF |
45 |
7.5 |
2.415 (75%) |
2.473 (65%) |
4.3 |
5.7 |
7.1 |
3 |
1 |
|
No.4-48UNF |
CPCSUN4FM |
5 piece set consists of CPCSUN4FB ~ CPCSUN4FF(95%〜65%) |
||||||||
|
No.4-48UNF |
CPCSUN4FS |
5 piece set consists of CPCSUN4FA ~ CPCSUN4FE(100%〜70%) |
||||||||
|
No.5-40UNC |
CPCSUN5HA |
49 |
9 |
2.487 (100%) |
2.556 (90%) |
4.8 |
6.4 |
7.9 |
4 |
1 |
|
No.5-40UNC |
CPCSUN5HB |
49 |
9 |
2.522 (95%) |
2.591 (85%) |
4.8 |
6.4 |
7.9 |
4 |
1 |
|
No.5-40UNC |
CPCSUN5HC |
49 |
9 |
2.556 (90%) |
2.625 (80%) |
4.8 |
6.4 |
7.9 |
4 |
1 |
|
No.5-40UNC |
CPCSUN5HD |
49 |
9 |
2.591 (85%) |
2.659 (75%) |
4.8 |
6.4 |
7.9 |
4 |
1 |
|
No.5-40UNC |
CPCSUN5HE |
49 |
9 |
2.625 (80%) |
2.694 (70%) |
4.8 |
6.4 |
7.9 |
4 |
1 |
|
No.5-40UNC |
CPCSUN5HF |
49 |
9 |
2.659 (75%) |
2.728 (65%) |
4.8 |
6.4 |
7.9 |
4 |
1 |
|
No.5-40UNC |
CPCSUN5HM |
5 piece set consists of CPCSUN5HB ~ CPCSUN5HF(95%〜65%) |
||||||||
|
No.5-40UNC |
CPCSUN5HS |
5 piece set consists of CPCSUN5HA ~ CPCSUN5HE(100%〜70%) |
||||||||
|
No.5-44UNF |
CPCSUN5GA |
49 |
9 |
2.551 (100%) |
2.613 (90%) |
4.8 |
6.4 |
7.9 |
4 |
1 |
|
No.5-44UNF |
CPCSUN5GB |
49 |
9 |
2.581 (95%) |
2.644 (85%) |
4.8 |
6.4 |
7.9 |
4 |
1 |
|
No.5-44UNF |
CPCSUN5GC |
49 |
9 |
2.613 (90%) |
2.675 (80%) |
4.8 |
6.4 |
7.9 |
4 |
1 |
|
No.5-44UNF |
CPCSUN5GD |
49 |
9 |
2.644 (85%) |
2.706 (75%) |
4.8 |
6.4 |
7.9 |
4 |
1 |
|
No.5-44UNF |
CPCSUN5GE |
49 |
9 |
2.675 (80%) |
2.738 (70%) |
4.8 |
6.4 |
7.9 |
4 |
1 |
|
No.5-44UNF |
CPCSUN5GF |
49 |
9 |
2.706 (75%) |
2.769 (65%) |
4.8 |
6.4 |
7.9 |
4 |
1 |
|
No.5-44UNF |
CPCSUN5GM |
5 piece set consists of CPCSUN5GB ~ CPCSUN5GF(95%〜65%) |
||||||||
|
No.5-44UNF |
CPCSUN5GS |
5 piece set consists of CPCSUN5GA ~ CPCSUN5GE(100%〜70%) |
||||||||
|
No.6-32UNC |
CPCSUN6JA |
49 |
9 |
2.642 (100%) |
2.732 (90%) |
5.3 |
7 |
8.8 |
4 |
1 |
|
No.6-32UNC |
CPCSUN6JB |
49 |
9 |
2.689 (95%) |
2.775 (85%) |
5.3 |
7 |
8.8 |
4 |
1 |
|
No.6-32UNC |
CPCSUN6JC |
49 |
9 |
2.732 (90%) |
2.818 (80%) |
5.3 |
7 |
8.8 |
4 |
1 |
|
No.6-32UNC |
CPCSUN6JD |
49 |
9 |
2.775 (85%) |
2.861 (75%) |
5.3 |
7 |
8.8 |
4 |
1 |
|
No.6-32UNC |
CPCSUN6JE |
49 |
9 |
2.818 (80%) |
2.903 (70%) |
5.3 |
7 |
8.8 |
4 |
1 |
|
No.6-32UNC |
CPCSUN6JF |
49 |
9 |
2.861 (75%) |
2.946 (65%) |
5.3 |
7 |
8.8 |
4 |
1 |
|
No.6-32UNC |
CPCSUN6JM |
5 piece set consists of CPCSUN6JB ~ CPCSUN6JF(95%〜65%) |
||||||||
|
No.6-32UNC |
CPCSUN6JS |
5 piece set consists of CPCSUN6JA ~ CPCSUN6JE(100%〜70%) |
||||||||
|
No.6-40UNF |
CPCSUN6HA |
49 |
9 |
2.820 (100%) |
2.886 (90%) |
5.3 |
7 |
8.8 |
4 |
1 |
|
No.6-40UNF |
CPCSUN6HB |
49 |
9 |
2.852 (95%) |
2.921 (85%) |
5.3 |
7 |
8.8 |
4 |
1 |
|
No.6-40UNF |
CPCSUN6HC |
49 |
9 |
2.886 (90%) |
2.955 (80%) |
5.3 |
7 |
8.8 |
4 |
1 |
|
No.6-40UNF |
CPCSUN6HD |
49 |
9 |
2.921 (85%) |
2.989 (75%) |
5.3 |
7 |
8.8 |
4 |
1 |
|
No.6-40UNF |
CPCSUN6HE |
49 |
9 |
2.955 (80%) |
3.024 (70%) |
5.3 |
7 |
8.8 |
4 |
1 |
|
No.6-40UNF |
CPCSUN6HF |
49 |
9 |
2.989 (75%) |
3.058 (65%) |
5.3 |
7 |
8.8 |
4 |
1 |
|
No.6-40UNF |
CPCSUN6HM |
5 piece set consists of CPCSUN6HB ~ CPCSUN6HF(95%〜65%) |
||||||||
|
No.6-40UNF |
CPCSUN6HS |
5 piece set consists of CPCSUN6HA ~ CPCSUN6HE(100%〜70%) |
||||||||
|
No.8-32UNC |
CPCSUN8JA |
57 |
11 |
3.302 (100%) |
3.394 (90%) |
6.3 |
8.3 |
10.4 |
5 |
1 |
|
No.8-32UNC |
CPCSUN8JB |
57 |
11 |
3.351 (95%) |
3.437 (85%) |
6.3 |
8.3 |
10.4 |
5 |
1 |
|
No.8-32UNC |
CPCSUN8JC |
57 |
11 |
3.394 (90%) |
3.480 (80%) |
6.3 |
8.3 |
10.4 |
5 |
1 |
|
No.8-32UNC |
CPCSUN8JD |
57 |
11 |
3.437 (85%) |
3.523 (75%) |
6.3 |
8.3 |
10.4 |
5 |
1 |
|
No.8-32UNC |
CPCSUN8JE |
57 |
11 |
3.480 (80%) |
3.565 (70%) |
6.3 |
8.3 |
10.4 |
5 |
1 |
|
No.8-32UNC |
CPCSUN8JF |
57 |
11 |
3.523 (75%) |
3.608 (65%) |
6.3 |
8.3 |
10.4 |
5 |
1 |
|
No.8-32UNC |
CPCSUN8JM |
5 piece set consists of CPCSUN8JB ~ CPCSUN8JF(95%〜65%) |
||||||||
|
No.8-32UNC |
CPCSUN8JS |
5 piece set consists of CPCSUN8JA ~ CPCSUN8JE(100%〜70%) |
||||||||
|
No.8-36UNF |
CPCSUN8IA |
57 |
11 |
3.404 (100%) |
3.480 (90%) |
6.3 |
8.3 |
10.4 |
5 |
1 |
|
No.8-36UNF |
CPCSUN8IB |
57 |
11 |
3.441 (95%) |
3.518 (85%) |
6.3 |
8.3 |
10.4 |
5 |
1 |
|
No.8-36UNF |
CPCSUN8IC |
57 |
11 |
3.480 (90%) |
3.556 (80%) |
6.3 |
8.3 |
10.4 |
5 |
1 |
|
No.8-36UNF |
CPCSUN8ID |
57 |
11 |
3.518 (85%) |
3.594 (75%) |
6.3 |
8.3 |
10.4 |
5 |
1 |
|
No.8-36UNF |
CPCSUN8IE |
57 |
11 |
3.556 (80%) |
3.632 (70%) |
6.3 |
8.3 |
10.4 |
5 |
1 |
|
No.8-36UNF |
CPCSUN8IF |
57 |
11 |
3.594 (75%) |
3.671 (65%) |
6.3 |
8.3 |
10.4 |
5 |
1 |
|
No.8-36UNF |
CPCSUN8IM |
5 piece set consists of CPCSUN8IB ~ CPCSUN8IF(95%〜65%) |
||||||||
|
No.8-36UNF |
CPCSUN8IS |
5 piece set consists of CPCSUN8IA ~ CPCSUN8IE(100%〜70%) |
||||||||
|
No.10-24UNC |
CPCSUNAMA |
65 |
14 |
3.683 (100%) |
3.795 (90%) |
7.2 |
9.7 |
12.1 |
5.5 |
1 |
|
No.10-24UNC |
CPCSUNAMB |
65 |
14 |
3.738 (95%) |
3.852 (85%) |
7.2 |
9.7 |
12.1 |
5.5 |
1 |
|
No.10-24UNC |
CPCSUNAMC |
65 |
14 |
3.795 (90%) |
3.909 (80%) |
7.2 |
9.7 |
12.1 |
5.5 |
1 |
|
No.10-24UNC |
CPCSUNAMD |
65 |
14 |
3.852 (85%) |
3.967 (75%) |
7.2 |
9.7 |
12.1 |
5.5 |
1 |
|
No.10-24UNC |
CPCSUNAME |
65 |
14 |
3.909 (80%) |
4.024 (70%) |
7.2 |
9.7 |
12.1 |
5.5 |
1 |
|
No.10-24UNC |
CPCSUNAMF |
65 |
14 |
3.967 (75%) |
4.081 (65%) |
7.2 |
9.7 |
12.1 |
5.5 |
1 |
|
No.10-24UNC |
CPCSUNAMM |
5 piece set consists of CPCSUNAMB ~ CPCSUNAMF(95%〜65%) |
||||||||
|
No.10-24UNC |
CPCSUNAMS |
5 piece set consists of CPCSUNAMA ~ CPCSUNAME(100%〜70%) |
||||||||
|
No.10-32UNF |
CPCSUNAJA |
65 |
14 |
3.963 (100%) |
4.053 (90%) |
7.2 |
9.7 |
12.1 |
5.5 |
1 |
|
No.10-32UNF |
CPCSUNAJB |
65 |
14 |
4.010 (95%) |
4.096 (85%) |
7.2 |
9.7 |
12.1 |
5.5 |
1 |
|
No.10-32UNF |
CPCSUNAJC |
65 |
14 |
4.053 (90%) |
4.139 (80%) |
7.2 |
9.7 |
12.1 |
5.5 |
1 |
|
No.10-32UNF |
CPCSUNAJD |
65 |
14 |
4.096 (85%) |
4.182 (75%) |
7.2 |
9.7 |
12.1 |
5.5 |
1 |
|
No.10-32UNF |
CPCSUNAJE |
65 |
14 |
4.139 (80%) |
4.224 (70%) |
7.2 |
9.7 |
12.1 |
5.5 |
1 |
|
No.10-32UNF |
CPCSUNAJF |
65 |
14 |
4.182 (75%) |
4.267 (65%) |
7.2 |
9.7 |
12.1 |
5.5 |
1 |
|
No.10-32UNF |
CPCSUNAJM |
5 piece set consists of CPCSUNAJB ~ CPCSUNAJF(95%〜65%) |
||||||||
|
No.10-32UNF |
CPCSUNAJS |
5 piece set consists of CPCSUNAJA ~ CPCSUNAJE(100%〜70%) |
||||||||
|
No.12-24UNC |
CPCSUNCMA |
65 |
14 |
4.344 (100%) |
4.455 (90%) |
8.2 |
11 |
13.7 |
5.5 |
1 |
|
No.12-24UNC |
CPCSUNCMB |
65 |
14 |
4.398 (95%) |
4.512 (85%) |
8.2 |
11 |
13.7 |
5.5 |
1 |
|
No.12-24UNC |
CPCSUNCMC |
65 |
14 |
4.455 (90%) |
4.569 (80%) |
8.2 |
11 |
13.7 |
5.5 |
1 |
|
No.12-24UNC |
CPCSUNCMD |
65 |
14 |
4.512 (85%) |
4.627 (75%) |
8.2 |
11 |
13.7 |
5.5 |
1 |
|
No.12-24UNC |
CPCSUNCME |
65 |
14 |
4.569 (80%) |
4.684 (70%) |
8.2 |
11 |
13.7 |
5.5 |
1 |
|
No.12-24UNC |
CPCSUNCMF |
65 |
14 |
4.627 (75%) |
4.741 (65%) |
8.2 |
11 |
13.7 |
5.5 |
1 |
|
No.12-24UNC |
CPCSUNCMM |
5 piece set consists of CPCSUNCMB ~ CPCSUNCMF(95%〜65%) |
||||||||
|
No.12-24UNC |
CPCSUNCMS |
5 piece set consists of CPCSUNCMA ~ CPCSUNCME(100%〜70%) |
||||||||
|
No.12-28UNF |
CPCSUNCKA |
65 |
14 |
4.496 (100%) |
4.602 (90%) |
8.2 |
11 |
13.7 |
5.5 |
1 |
|
No.12-28UNF |
CPCSUNCKB |
65 |
14 |
4.553 (95%) |
4.651 (85%) |
8.2 |
11 |
13.7 |
5.5 |
1 |
|
No.12-28UNF |
CPCSUNCKC |
65 |
14 |
4.602 (90%) |
4.700 (80%) |
8.2 |
11 |
13.7 |
5.5 |
1 |
|
No.12-28UNF |
CPCSUNCKD |
65 |
14 |
4.651 (85%) |
4.749 (75%) |
8.2 |
11 |
13.7 |
5.5 |
1 |
|
No.12-28UNF |
CPCSUNCKE |
65 |
14 |
4.700 (80%) |
4.799 (70%) |
8.2 |
11 |
13.7 |
5.5 |
1 |
|
No.12-28UNF |
CPCSUNCKF |
65 |
14 |
4.749 (75%) |
4.848 (65%) |
8.2 |
11 |
13.7 |
5.5 |
1 |
|
No.12-28UNF |
CPCSUNCKM |
5 piece set consists of CPCSUNCKB ~ CPCSUNCKF(95%〜65%) |
||||||||
|
No.12-28UNF |
CPCSUNCKS |
5 piece set consists of CPCSUNCKA ~ CPCSUNCKE(100%〜70%) |
||||||||
|
1/4-20UNC |
CPCSU04NA |
73 |
16.5 |
4.979 (100%) |
5.113 (90%) |
9.5 |
12.7 |
15.9 |
6 |
1 |
|
1/4-20UNC |
CPCSU04NB |
73 |
16.5 |
5.044 (95%) |
5.181 (85%) |
9.5 |
12.7 |
15.9 |
6 |
1 |
|
1/4-20UNC |
CPCSU04NC |
73 |
16.5 |
5.113 (90%) |
5.250 (80%) |
9.5 |
12.7 |
15.9 |
6 |
1 |
|
1/4-20UNC |
CPCSU04ND |
73 |
16.5 |
5.181 (85%) |
5.319 (75%) |
9.5 |
12.7 |
15.9 |
6 |
1 |
|
1/4-20UNC |
CPCSU04NE |
73 |
16.5 |
5.250 (80%) |
5.388 (70%) |
9.5 |
12.7 |
15.9 |
6 |
1 |
|
1/4-20UNC |
CPCSU04NF |
73 |
16.5 |
5.319 (75%) |
5.456 (65%) |
9.5 |
12.7 |
15.9 |
6 |
1 |
|
1/4-20UNC |
CPCSU04NM |
5 piece set consists of CPCSU04NB ~ CPCSU04NF(95%〜65%) |
||||||||
|
1/4-20UNC |
CPCSU04NS |
5 piece set consists of CPCSU04NA ~ CPCSU04NE(100%〜70%) |
||||||||
|
1/4-28UNF |
CPCSU04KA |
73 |
16.5 |
5.360 (100%) |
5.466 (90%) |
9.5 |
12.7 |
15.9 |
6 |
1 |
|
1/4-28UNF |
CPCSU04KB |
73 |
16.5 |
5.417 (95%) |
5.515 (85%) |
9.5 |
12.7 |
15.9 |
6 |
1 |
|
1/4-28UNF |
CPCSU04KC |
73 |
16.5 |
5.466 (90%) |
5.564 (80%) |
9.5 |
12.7 |
15.9 |
6 |
1 |
|
1/4-28UNF |
CPCSU04KD |
73 |
16.5 |
5.515 (85%) |
5.613 (75%) |
9.5 |
12.7 |
15.9 |
6 |
1 |
|
1/4-28UNF |
CPCSU04KE |
73 |
16.5 |
5.564 (80%) |
5.663 (70%) |
9.5 |
12.7 |
15.9 |
6 |
1 |
|
1/4-28UNF |
CPCSU04KF |
73 |
16.5 |
5.613 (75%) |
5.712 (65%) |
9.5 |
12.7 |
15.9 |
6 |
1 |
|
1/4-28UNF |
CPCSU04KM |
5 piece set consists of CPCSU04KB ~ CPCSU04KF(95%〜65%) |
||||||||
|
1/4-28UNF |
CPCSU04KS |
5 piece set consists of CPCSU04KA ~ CPCSU04KE(100%〜70%) |
||||||||
|
5/16-18UNC |
CPCSU05OA |
99 |
22 |
6.401 (100%) |
6.563 (90%) |
11.9 |
15.9 |
19.8 |
8 |
1 |
|
5/16-18UNC |
CPCSU05OB |
99 |
22 |
6.487 (95%) |
6.639 (85%) |
11.9 |
15.9 |
19.8 |
8 |
1 |
|
5/16-18UNC |
CPCSU05OC |
99 |
22 |
6.563 (90%) |
6.716 (80%) |
11.9 |
15.9 |
19.8 |
8 |
1 |
|
5/16-18UNC |
CPCSU05OD |
99 |
22 |
6.639 (85%) |
6.792 (75%) |
11.9 |
15.9 |
19.8 |
8 |
1 |
|
5/16-18UNC |
CPCSU05OE |
99 |
22 |
6.716 (80%) |
6.869 (70%) |
11.9 |
15.9 |
19.8 |
8 |
1 |
|
5/16-18UNC |
CPCSU05OF |
99 |
22 |
6.792 (75%) |
6.945 (65%) |
11.9 |
15.9 |
19.8 |
8 |
1 |
|
5/16-18UNC |
CPCSU05OM |
5 piece set consists of CPCSU05OB ~ CPCSU05OF(95%〜65%) |
||||||||
|
5/16-18UNC |
CPCSU05OS |
5 piece set consists of CPCSU05OA ~ CPCSU05OE(100%〜70%) |
||||||||
|
5/16-24UNF |
CPCSU05MA |
99 |
22 |
6.782 (100%) |
6.907 (90%) |
11.9 |
15.9 |
19.8 |
8 |
1 |
|
5/16-24UNF |
CPCSU05MB |
99 |
22 |
6.850 (95%) |
6.964 (85%) |
11.9 |
15.9 |
19.8 |
8 |
1 |
|
5/16-24UNF |
CPCSU05MC |
99 |
22 |
6.907 (90%) |
7.021 (80%) |
11.9 |
15.9 |
19.8 |
8 |
1 |
|
5/16-24UNF |
CPCSU05MD |
99 |
22 |
6.964 (85%) |
7.079 (75%) |
11.9 |
15.9 |
19.8 |
8 |
1 |
|
5/16-24UNF |
CPCSU05ME |
99 |
22 |
7.021 (80%) |
7.136 (70%) |
11.9 |
15.9 |
19.8 |
8 |
1 |
|
5/16-24UNF |
CPCSU05MF |
99 |
22 |
7.079 (75%) |
7.193 (65%) |
11.9 |
15.9 |
19.8 |
8 |
1 |
|
5/16-24UNF |
CPCSU05MM |
5 piece set consists of CPCSU05MB ~ CPCSU05MF(95%〜65%) |
||||||||
|
5/16-24UNF |
CPCSU05MS |
5 piece set consists of CPCSU05MA ~ CPCSU05ME(100%〜70%) |
||||||||
|
3/8-16UNC |
CPCSU06PA |
110 |
27.5 |
7.798 (100%) |
7.978 (90%) |
14.3 |
19.1 |
23.8 |
10 |
1 |
|
3/8-16UNC |
CPCSU06PB |
110 |
27.5 |
7.892 (95%) |
8.064 (85%) |
14.3 |
19.1 |
23.8 |
10 |
1 |
|
3/8-16UNC |
CPCSU06PC |
110 |
27.5 |
7.978 (90%) |
8.150 (80%) |
14.3 |
19.1 |
23.8 |
10 |
1 |
|
3/8-16UNC |
CPCSU06PD |
110 |
27.5 |
8.064 (85%) |
8.236 (75%) |
14.3 |
19.1 |
23.8 |
10 |
1 |
|
3/8-16UNC |
CPCSU06PE |
110 |
27.5 |
8.150 (80%) |
8.322 (70%) |
14.3 |
19.1 |
23.8 |
10 |
1 |
|
3/8-16UNC |
CPCSU06PF |
110 |
27.5 |
8.236 (75%) |
8.408 (65%) |
14.3 |
19.1 |
23.8 |
10 |
1 |
|
3/8-16UNC |
CPCSU06PM |
5 piece set consists of CPCSU06PB ~ CPCSU06PF(95%〜65%) |
||||||||
|
3/8-16UNC |
CPCSU06PS |
5 piece set consists of CPCSU06PA ~ CPCSU06PE(100%〜70%) |
||||||||
|
3/8-24UNF |
CPCSU06MA |
110 |
27.5 |
8.382 (100%) |
8.494 (90%) |
14.3 |
19.1 |
23.8 |
10 |
1 |
|
3/8-24UNF |
CPCSU06MB |
110 |
27.5 |
8.437 (95%) |
8.551 (85%) |
14.3 |
19.1 |
23.8 |
10 |
1 |
|
3/8-24UNF |
CPCSU06MC |
110 |
27.5 |
8.494 (90%) |
8.608 (80%) |
14.3 |
19.1 |
23.8 |
10 |
1 |
|
3/8-24UNF |
CPCSU06MD |
110 |
27.5 |
8.551 (85%) |
8.666 (75%) |
14.3 |
19.1 |
23.8 |
10 |
1 |
|
3/8-24UNF |
CPCSU06ME |
110 |
27.5 |
8.608 (80%) |
8.723 (70%) |
14.3 |
19.1 |
23.8 |
10 |
1 |
|
3/8-24UNF |
CPCSU06MF |
110 |
27.5 |
8.666 (75%) |
8.780 (65%) |
14.3 |
19.1 |
23.8 |
10 |
1 |
|
3/8-24UNF |
CPCSU06MM |
5 piece set consists of CPCSU06MB ~ CPCSU06MF(95%〜65%) |
||||||||
|
3/8-24UNF |
CPCSU06MS |
5 piece set consists of CPCSU06MA ~ CPCSU06ME(100%〜70%) |
||||||||
|
7/16-14UNC |
CPCSU07QA |
121 |
33 |
9.144 (100%) |
9.345 (90%) |
16.7 |
22.2 |
27.8 |
12 |
1 |
|
7/16-14UNC |
CPCSU07QB |
121 |
33 |
9.247 (95%) |
9.443 (85%) |
16.7 |
22.2 |
27.8 |
12 |
1 |
|
7/16-14UNC |
CPCSU07QC |
121 |
33 |
9.345 (90%) |
9.542 (80%) |
16.7 |
22.2 |
27.8 |
12 |
1 |
|
7/16-14UNC |
CPCSU07QD |
121 |
33 |
9.443 (85%) |
9.640 (75%) |
16.7 |
22.2 |
27.8 |
12 |
1 |
|
7/16-14UNC |
CPCSU07QE |
121 |
33 |
9.542 (80%) |
9.738 (70%) |
16.7 |
22.2 |
27.8 |
12 |
1 |
|
7/16-14UNC |
CPCSU07QF |
121 |
33 |
9.640 (75%) |
9.836 (65%) |
16.7 |
22.2 |
27.8 |
12 |
1 |
|
7/16-14UNC |
CPCSU07QM |
5 piece set consists of CPCSU07QB ~ CPCSU07QF(95%〜65%) |
||||||||
|
7/16-14UNC |
CPCSU07QS |
5 piece set consists of CPCSU07QA ~ CPCSU07QE(100%〜70%) |
||||||||
|
7/16-20UNF |
CPCSU07NA |
121 |
33 |
9.729 (100%) |
9.876 (90%) |
16.7 |
22.2 |
27.8 |
12 |
1 |
|
7/16-20UNF |
CPCSU07NB |
121 |
33 |
9.807 (95%) |
9.944 (85%) |
16.7 |
22.2 |
27.8 |
12 |
1 |
|
7/16-20UNF |
CPCSU07NC |
121 |
33 |
9.876 (90%) |
10.013 (80%) |
16.7 |
22.2 |
27.8 |
12 |
1 |
|
7/16-20UNF |
CPCSU07ND |
121 |
33 |
9.944 (85%) |
10.082 (75%) |
16.7 |
22.2 |
27.8 |
12 |
1 |
|
7/16-20UNF |
CPCSU07NE |
121 |
33 |
10.013 (80%) |
10.151 (70%) |
16.7 |
22.2 |
27.8 |
12 |
1 |
|
7/16-20UNF |
CPCSU07NF |
121 |
33 |
10.082 (75%) |
10.219 (65%) |
16.7 |
22.2 |
27.8 |
12 |
1 |
|
7/16-20UNF |
CPCSU07NM |
5 piece set consists of CPCSU07NB ~ CPCSU07NF(95%〜65%) |
||||||||
|
7/16-20UNF |
CPCSU07NS |
5 piece set consists of CPCSU07NA ~ CPCSU07NE(100%〜70%) |
||||||||
|
1/2-13UNC |
CPCSU08RA |
121 |
33 |
10.592 (100%) |
10.796 (90%) |
19.1 |
25.4 |
31.8 |
12 |
1 |
|
1/2-13UNC |
CPCSU08RB |
121 |
33 |
10.691 (95%) |
10.902 (85%) |
19.1 |
25.4 |
31.8 |
12 |
1 |
|
1/2-13UNC |
CPCSU08RC |
121 |
33 |
10.796 (90%) |
11.008 (80%) |
19.1 |
25.4 |
31.8 |
12 |
1 |
|
1/2-13UNC |
CPCSU08RD |
121 |
33 |
10.902 (85%) |
11.114 (75%) |
19.1 |
25.4 |
31.8 |
12 |
1 |
|
1/2-13UNC |
CPCSU08RE |
121 |
33 |
11.008 (80%) |
11.219 (70%) |
19.1 |
25.4 |
31.8 |
12 |
1 |
|
1/2-13UNC |
CPCSU08RF |
121 |
33 |
11.114 (75%) |
11.325 (65%) |
19.1 |
25.4 |
31.8 |
12 |
1 |
|
1/2-13UNC |
CPCSU08RM |
5 piece set consists of CPCSU08RB ~ CPCSU08RF(95%〜65%) |
||||||||
|
1/2-13UNC |
CPCSU08RS |
5 piece set consists of CPCSU08RA ~ CPCSU08RE(100%〜70%) |
||||||||
|
1/2-20UNF |
CPCSU08NA |
121 |
33 |
11.329 (100%) |
11.463 (90%) |
19.1 |
25.4 |
31.8 |
12 |
1 |
|
1/2-20UNF |
CPCSU08NB |
121 |
33 |
11.394 (95%) |
11.531 (85%) |
19.1 |
25.4 |
31.8 |
12 |
1 |
|
1/2-20UNF |
CPCSU08NC |
121 |
33 |
11.463 (90%) |
11.600 (80%) |
19.1 |
25.4 |
31.8 |
12 |
1 |
|
1/2-20UNF |
CPCSU08ND |
121 |
33 |
11.531 (85%) |
11.669 (75%) |
19.1 |
25.4 |
31.8 |
12 |
1 |
|
1/2-20UNF |
CPCSU08NE |
121 |
33 |
11.600 (80%) |
11.738 (70%) |
19.1 |
25.4 |
31.8 |
12 |
1 |
|
1/2-20UNF |
CPCSU08NF |
121 |
33 |
11.669 (75%) |
11.806 (65%) |
19.1 |
25.4 |
31.8 |
12 |
1 |
|
1/2-20UNF |
CPCSU08NM |
5 piece set consists of CPCSU08NB ~ CPCSU08NF(95%〜65%) |
||||||||
|
1/2-20UNF |
CPCSU08NS |
5 piece set consists of CPCSU08NA ~ CPCSU08NE(100%〜70%) |
||||||||
| แบรนด์สินค้า | YAMAWA |
|---|
