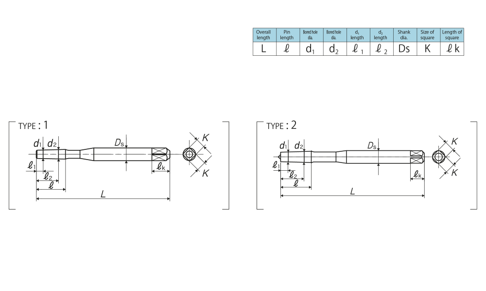
Specification


Segment:7C
|
Size |
Code |
L (mm) |
ℓ (mm) |
d1 (mm) |
d2 (mm) |
ℓ1 (mm) |
ℓ2 (mm) |
Ds (mm) |
K (mm) |
ℓk (mm) |
TYPE |
|
For Unified Threads |
|||||||||||
|
No.2-56UNC |
CPRTUN2E |
46 |
8 |
1.96 |
2.04 |
1.5 |
6.5 |
3 |
2.5 |
5 |
1 |
|
No.2-64UNF |
CPRTUN2D |
46 |
8 |
1.98 |
2.06 |
1.5 |
6.5 |
3 |
2.5 |
5 |
1 |
|
No.3-48UNC |
CPRTUN3F |
46 |
8 |
2.25 |
2.35 |
1.5 |
6.5 |
3 |
2.5 |
5 |
1 |
|
No.3-56UNF |
CPRTUN3E |
46 |
8 |
2.29 |
2.37 |
1.5 |
6.5 |
3 |
2.5 |
5 |
1 |
|
No.4-40UNC |
CPRTUN4H |
46 |
8.5 |
2.54 |
2.64 |
1.5 |
7 |
4 |
3.2 |
6 |
1 |
|
No.4-48UNF |
CPRTUN4F |
46 |
8.5 |
2.59 |
2.68 |
1.5 |
7 |
4 |
3.2 |
6 |
1 |
|
No.5-40UNC |
CPRTUN5H |
46 |
8.5 |
2.87 |
2.97 |
1.5 |
7 |
4 |
3.2 |
6 |
1 |
|
No.5-44UNF |
CPRTUN5G |
46 |
8.5 |
2.90 |
2.99 |
1.5 |
7 |
4 |
3.2 |
6 |
1 |
|
No.6-32UNC |
CPRTUN6J |
52 |
10.5 |
3.11 |
3.22 |
2.25 |
8.25 |
5 |
4 |
7 |
1 |
|
No.6-40UNF |
CPRTUN6H |
52 |
10.5 |
3.19 |
3.29 |
2.25 |
8.25 |
5 |
4 |
7 |
1 |
|
No.8-32UNC |
CPRTUN8J |
52 |
10.5 |
3.78 |
3.89 |
2.25 |
8.25 |
5 |
4 |
7 |
1 |
|
No.8-36UNF |
CPRTUN8I |
52 |
10.5 |
3.81 |
3.91 |
2.25 |
8.25 |
5 |
4 |
7 |
1 |
|
No.10-24UNC |
CPRTUNAM |
59.5 |
12.5 |
4.30 |
4.44 |
2.5 |
10 |
5.5 |
4.5 |
7 |
1 |
|
No.10-32UNF |
CPRTUNAJ |
59.5 |
12.5 |
4.44 |
4.53 |
2.5 |
10 |
5.5 |
4.5 |
7 |
1 |
|
No.12-24UNC |
CPRTUNCM |
61.5 |
16.5 |
4.96 |
5.07 |
3.75 |
12.75 |
6 |
4.5 |
7 |
1 |
|
No.12-28UNF |
CPRTUNCK |
61.5 |
16.5 |
5.03 |
5.13 |
3.75 |
12.75 |
6 |
4.5 |
7 |
1 |
|
1/4-20UNC |
CPRTU04N |
61.5 |
16.5 |
5.73 |
5.86 |
3.75 |
12.75 |
6 |
4.5 |
7 |
1 |
|
1/4-28UNF |
CPRTU04K |
61.5 |
16.5 |
5.91 |
6.00 |
3.75 |
12.75 |
6 |
4.5 |
7 |
1 |
|
5/16-18UNC |
CPRTU05O |
90 |
19.4 |
7.23 |
7.38 |
4.7 |
14.7 |
8 |
6.2 |
9 |
2 |
|
5/16-24UNF |
CPRTU05M |
90 |
19.4 |
7.42 |
7.53 |
4.7 |
14.7 |
8 |
6.2 |
9 |
2 |
|
3/8-16UNC |
CPRTU06P |
100 |
23.4 |
8.72 |
8.89 |
6.7 |
16.7 |
10 |
8 |
11 |
2 |
|
3/8-24UNF |
CPRTU06M |
100 |
23.4 |
8.99 |
9.10 |
6.7 |
16.7 |
10 |
8 |
11 |
2 |
|
7/16-14UNC |
CPRTU07Q |
110 |
27.4 |
10.20 |
10.40 |
7.7 |
19.7 |
12 |
9 |
12 |
2 |
|
7/16-20UNF |
CPRTU07N |
110 |
27.4 |
10.48 |
10.62 |
7.7 |
19.7 |
12 |
9 |
12 |
2 |
|
1/2-13UNC |
CPRTU08R |
110 |
27.4 |
11.70 |
11.92 |
7.7 |
19.7 |
12 |
9 |
12 |
2 |
|
1/2-20UNF |
CPRTU08N |
110 |
27.4 |
12.06 |
12.20 |
7.7 |
19.7 |
12 |
9 |
12 |
2 |
| แบรนด์สินค้า | YAMAWA |
|---|
