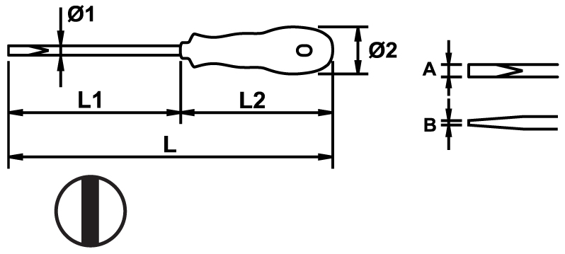
INCH
| Order No. | A (inch) | B (inch)) | Ø1 (mm) | Ø2 (mm) | L (mm) | L1 (inch) | L2 (mm) |
|---|---|---|---|---|---|---|---|
| 55352 | 3/32 | 0.016 | 2.5 | 26 | 160 | 3 | 85 |
| 55354 | 1/8 | 0.02 | 3 | 26 | 185 | 4 | 85 |
| 55355 | 5/32 | 0.032 | 4 | 34 | 230 | 5 | 105 |
| 55356 | 5/32 | 0.032 | 4 | 34 | 255 | 6 | 105 |
| 55357 | 5/32 | 0.032 | 4 | 34 | 405 | 12 | 105 |
| 55358 | 7/32 | 0.04 | 5.5 | 34 | 255 | 6 | 105 |
| 55359 | 7/32 | 0.04 | 5.5 | 34 | 405 | 12 | 105 |
| 55360 | 1/4 | 0.046 | 6.5 | 36 | 265 | 6 | 115 |
| 55361 | 5/16 | 0.046 | 8 | 40 | 305 | 7 | 130 |
| แบรนด์สินค้า | EGA MASTER |
|---|
