Specification

Tapping Speeds depending on Materials


Segment:1G
|
Size |
Class |
Code |
Chamfer |
Basic major dia (mm) |
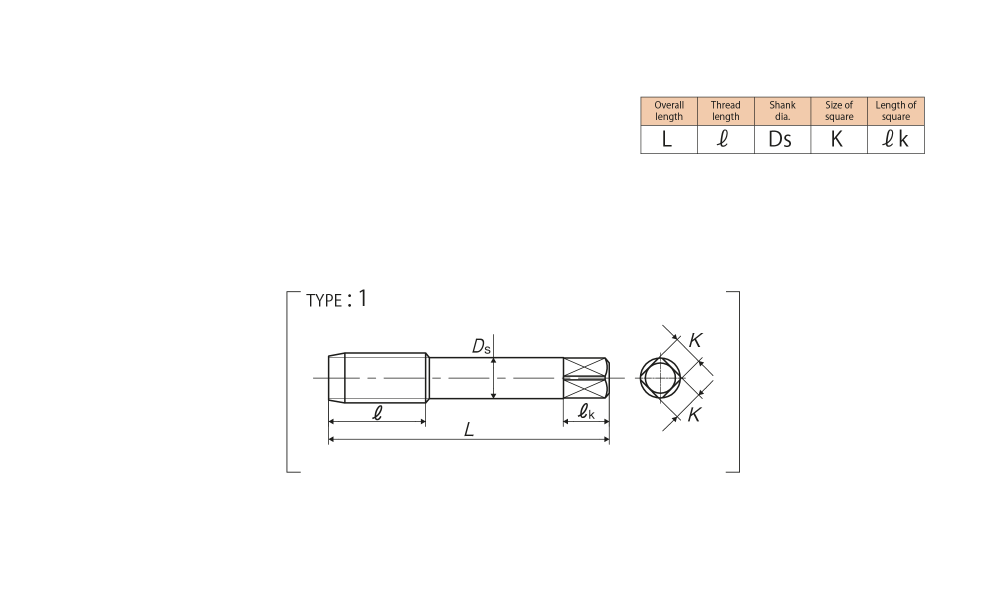
L (mm) |
ℓ (mm) |
Ds (mm) |
K (mm) |
ℓk (mm) |
No. of flutes |
TYPE |
|
For Pipe Threads |
|||||||||||
|
PF 1/8-28 |
Ⅱ |
FCPF02K |
3.5P |
9.728 |
55 |
19 |
8 |
6 |
9 |
4 |
1 |
|
PF 1/4-19 |
Ⅱ |
FCPF04- |
3.5P |
13.157 |
62 |
28 |
11 |
9 |
12 |
4 |
1 |
|
PF 3/8-19 |
Ⅱ |
FCPF06- |
3.5P |
16.662 |
65 |
28 |
14 |
11 |
14 |
4 |
1 |
|
PF 1/2-14 |
Ⅱ |
FCPF08Q |
3.5P |
20.955 |
80 |
35 |
18 |
14 |
17 |
4 |
1 |
|
PF 3/4-14 |
Ⅱ |
FCPF12Q |
3.5P |
26.441 |
85 |
35 |
23 |
17 |
20 |
4 |
1 |
|
PF 1 -11 |
Ⅱ |
FCPF16U |
3.5P |
33.249 |
95 |
45 |
26 |
21 |
24 |
4 |
1 |
|
PF 1 1/4-11 |
Ⅱ |
FCPF20U |
3.5P |
41.910 |
105 |
45 |
32 |
26 |
30 |
4 |
1 |
|
PF 1 1/2-11 |
Ⅱ |
FCPF24U |
3.5P |
47.803 |
110 |
45 |
38 |
29 |
32 |
6 |
1 |
|
PF 2 -11 |
Ⅱ |
FCPF32U |
3.5P |
59.614 |
120 |
50 |
46 |
35 |
38 |
6 |
1 |
| แบรนด์สินค้า | YAMAWA |
|---|
