FH - Hook Head
The FH hook heads are ideal for use with bearing locknut applications.
| Order No. (Body size x Width) | Head Size | Applicable Size of Nut Outside Diameter [mm] | Nominal Size of Screw | Dimensions | |||||||
| r [mm] | Θ' [mm] | b[mm] | t[mm] | H[mm] | D[mm] | L2[mm] | d [mm] | ||||
| FH15Dx30 | 15D | 30-38 | M20 | 16 | 60 | 3 | 6 | 30 | 25 | 7.5 | 4.5 |
| FH15Dx38 | 38-45 | M25 | 20 | ||||||||
| FH15Dx45 | 45-52 | M30 | 24 | 3.5 | 7 | 30.5 | |||||
| FH15Dx52 | 52-58 | M35 | 27 | ||||||||
| FH15Dx58 | 58-65 | M40 | 31 | 4.5 | 8 | 31 | |||||
| FH19Dx65 | 19D | 65-75 | M45, M50 | 35.5 | 35.5 | 29 | 9.5 | ||||
| FH22Dx75 | 22D | 75-85 | M60, M65 | 39 | 5 | 38.5 | 32 | 11 | 5.5 | ||
| FH22Dx85 | 85-98 | M70, M75 | 45.5 | 45 | 10 | 40 | |||||
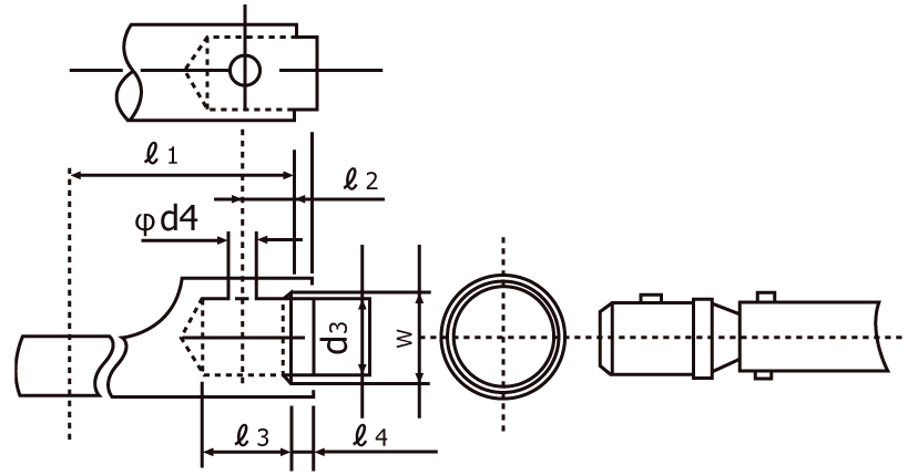
Common Dimensions for Interchangable Head
| Order No. (Body size x Width) | Dimensions | ||||||
| ℓ1 | ℓ2 | ℓ3 | ℓ4 | d3 | d4 | W | |
| SH8D, RH, QH, HH | 35 | 4 | 10 | 2 | 8 | 3.0 | 9 |
| SH10D, RH, QH, HH, DH, SH-N | 44 | 5 | 12 | 2.5 | 10 | 3.5 | 12 |
| SH12D, RH, QH, HH, DH, RQH | 53 | 6 | 14 | 3 | 12 | 3.5 | 14 |
| SH15D, RH, QH, HH, DH, RQH, FH | 63 | 7.5 | 17 | 3 | 15 | 4.5 | 17 |
| SH19D, RH, QH, HH, DH, RQH, FH | 80 | 9.5 | 21 | 3 | 19 | 4.5 | 21 |
| SH22D, RH, QH, HH, DH, RQH, FH | 100 | 11 | 24 | 3.5 | 22 | 5.5 | 24 |
| SH27D, RH, QH, DH | 125 | 13.5 | 29 | 5 | 27 | 6.5 | 30 |
| SH32D, RH. QH. DH | 160 | 16 | 34 | 7 | 32 | 6.5 | 35 |
Note : When requesting a special head that is used with types of torque wrench, it is
strictly required to follow the "ℓ1" dimension to keep torque accuracy.
Any deviation from the "ℓ1" dimension affects torque accuracy.
| แบรนด์สินค้า | TOHNICHI |
|---|
FH - Hook Head

Common Dimensions for Interchangable Head
