USE :
• Inspection of surfaces with flange, and piping connections
MATERIAL :
• Rolled steel for general structure
| Order Code | Model No. | Nominal Size (mm) | Straightness (±mm) | Weight |
| FS-1 | 003320 | 200 x 300 | 0.037 | 520g |
| FS-2 | 003330 | 300 x 400 | 0.045 | 750g |
| FS-3 | 003368 | 680 x 750 | 0.071 | 3.7kg |
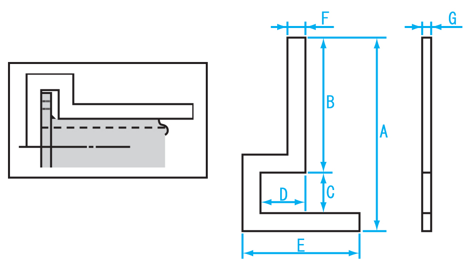
Unit : mm
| Order No. | A | B | C | D | E | F | G |
| FS-1 | 300 | 200 | 70 | 80 | 200 | 30 | 4 |
| FS-2 | 400 | 280 | 90 | 120 | 300 | 30 | 4 |
| FS-3 | 750 | 500 | 200 | 250 | 680 | 50 | 6 |
| แบรนด์สินค้า | NIIGATA SEIKI (SK) |
|---|
