Product Features
Tapping Data
Tapping Conditions [S0.8×0.2]
| Types of Taps | MS+RS | HPsRZ | ![]() |
| Conventional product | Competitor | ||
| Surface Treatment | - | TiCN | |
| Workpiece Material | SUS304(88HRB) | ||
| Bore Diameter | φ0.73 | ||
| Tapping Length | 1.2mm(1.5D) | ||
| Tapping Speed | 4m/min | 8m/min | |
| Machinery Type | CNC tapping center | ||
| Tapping Fluid | Non-water soluble cutting fluid | ||
Recommended hole diameter (reference value).
Umit:mm
| Size | Limit | 4H5 Thread Limit | |
| Max. | Min. | ||
| S0.6 × 0.15 | GS 2 | 0.55 | 0.54 |
| S0.7 × 0.175 | GS 3 | 0.64 | 0.62 |
| S0.8 × 0.2 | GS 3 | 0.73 | 0.71 |
| S0.9 × 0.225 | GS 4 | 0.82 | 0.80 |
New thread GS class accuracy

Specification

Tapping Speeds depending on Materials


Recommended class
Segment:1J
|
Size |
Class |
Code |
Chamfer |
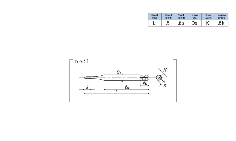
L (mm) |
ℓ (mm) |
ℓs (mm) |
Ds (mm) |
K (mm) |
ℓk (mm) |
Lobe |
TYPE |
|
For Miniature Threads |
|||||||||||
|
S0.6×0.15 |
GS2 |
HPS20.6-B |
2P |
36 |
2.5 |
25 |
3 |
2.5 |
6 |
4 |
1 |
|
S0.7×0.175 |
GS3 |
HPS30.7-B |
2P |
36 |
2.5 |
25 |
3 |
2.5 |
6 |
4 |
1 |
|
S0.8×0.2 |
GS3 |
HPS30.8-B |
2P |
36 |
3 |
25 |
3 |
2.5 |
6 |
4 |
1 |
|
S0.9×0.225 |
GS4 |
HPS40.9-B |
2P |
36 |
3 |
25 |
3 |
2.5 |
6 |
4 |
1 |
| แบรนด์สินค้า | YAMAWA |
|---|
