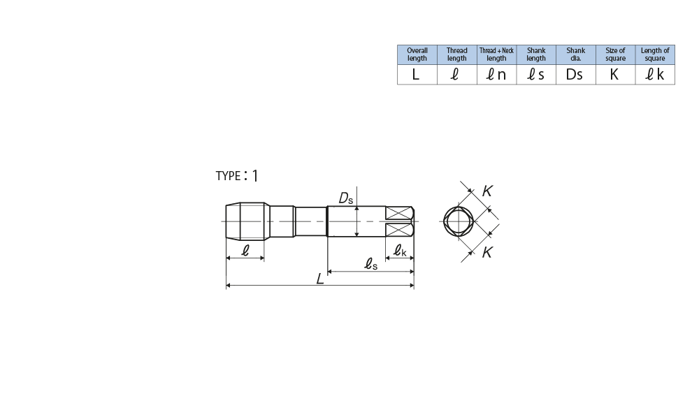
Specification

Tapping Speeds depending on Materials


Segment:1A
|
Size |
Code |
Chamfer |
Basic major dia (mm) |
L (mm) |
ℓ (mm) |
ℓn (mm) |
ℓs (mm) |
Ds (mm) |
K (mm) |
ℓk (mm) |
No. of flutes |
TYPE |
|
For Steel Conduit Threads |
||||||||||||
|
CTC19-16 |
TYCC190HEB5 |
5P |
19.100 |
105 |
23 |
- |
50 |
15 |
12 |
15 |
4 |
1 |
|
CTC25-16 |
TYCC250HEB5 |
5P |
25.400 |
125 |
24 |
- |
58 |
19 |
15 |
18 |
4 |
1 |
|
CTC31-16 |
TYCC310HEB5 |
5P |
31.800 |
145 |
26 |
- |
67 |
24 |
19 |
22 |
4 |
1 |
|
CTC39-16 |
TYCC390HEB5 |
5P |
38.100 |
165 |
27 |
- |
76 |
30 |
23 |
26 |
4 |
1 |

| แบรนด์สินค้า | YAMAWA |
|---|
