
• IHT is for hand tapping and for re-threading, and is used for both through hole and blind hole
• Use for threading of the iron (SPC or SS400) products used in our daily life.
• Surface treated. Oxidization, the most suitable surface treatment for iron products.
• Suitable for internal thread cutting in small quantity, such as tapping of test pieces.
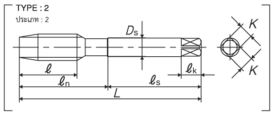
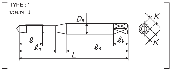
• The 5 thread chamfer is recommended for through holes and 2 thread chamfer is recommeded for blind holes.
• IHT คือต๊าบมือ ใช้เพื่อล้างเกลียว หรือสามารถใช้ได้ทั้งต๊าบรูทะลุ และรูตัน
• ใช้งานกับวัสดุที่เป็นเหล็ก (SPC หรือ SS400) ผลิตงานที่ใช้ในชีวิตประจำาวัน
• ทำาผิวด้วยวิธีออกไซด์ซึ่งเหมาะสมกับวัสดุเหล็ก• เหมาะสมกับการต๊าบในจำานวนที่น้อย เช่น การทดสอบการต๊าบ
• สำาหรับรูทะลุแนะนำาเป็น5ฟัน ส่วนรูตันแนะนำาเป็น2ฟัน
| Size | Order No. | Chamfer | L (mm) |
ℓ (mm) | ℓ n (mm) | ℓ s (mm | Ds (mm) | K (mm) | ℓk (mm) | No. of flutes | Type | Stock |
|
For Metric Threads / สำาหรับเกลียวเมตริก |
||||||||||||
| M 3x0.5 | HI73.0G5 | 5P | 46 | 9 | 14 | 26 | 4 | 3.2 | 6 | 3 | 1 | ◎ |
| HI73.0G2 | 2P | |||||||||||
| M 4x0.7 | HI74.0I5 | 5P | 52 | 11 | 17 | 29 | 5 | 4 | 7 | 3 | 1 | ◎ |
| HI74.0I2 | 2P | |||||||||||
| M 5x0.8 | HI75.0K5 | 5P | 60 | 13 | 22 | 33 | 5.5 | 4.5 | 7 | 3 | 1 | ◎ |
| HI75.0K2 | 2P | |||||||||||
| M 6x1 | HI76.0M5 | 5P | 62 | 15 | 26 | 33 | 6 | 4.5 | 7 | 3 | 1 | ◎ |
| HI76.0M2 | 2P | |||||||||||
| M 8x1.25 | HI78.0N5 | 5P | 70 | 19 | - | 36 | 6.2 | 5 | 8 | 3 | 2 | ◎ |
| HI78.0N2 | 2P | |||||||||||
| M 10x1.5 | HI7010O5 | 5P | 75 | 23 | - | 38 | 7 | 5.5 | 8 | 3 | 2 | ◎ |
| HI7010O2 | 2P | |||||||||||
| แบรนด์สินค้า | YAMAWA |
|---|
