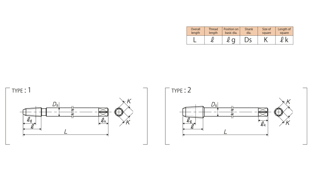
Specification

Tapping Speeds depending on Materials


Segment:1G
|
Size |
Class |
Code |
Chamfer |
Basic major dia (mm) |
L (mm) |
ℓ (mm) |
ℓg (mm) |
Ds (mm) |
K (mm) |
ℓk (mm) |
No. of flutes |
TYPE |
|
For American Pipe Threads |
||||||||||||
|
1/16-27 NPTF |
ANSI G |
TNTF01LL10 |
3P |
7.770 |
100 |
17 |
12 |
8 |
6 |
9 |
4 |
1 |
|
1/16-27 NPTF |
ANSI G |
TNTF01LL15 |
3P |
7.770 |
150 |
17 |
12 |
8 |
6 |
9 |
4 |
1 |
|
1/8-27 NPTF |
ANSI G |
TNTF02LL10 |
3P |
10.117 |
100 |
19 |
12.05 |
8 |
6 |
9 |
4 |
2 |
|
1/8-27 NPTF |
ANSI G |
TNTF02LL15 |
3P |
10.117 |
150 |
19 |
12.05 |
8 |
6 |
9 |
4 |
2 |
|
1/4-18 NPTF |
ANSI G |
TNTF04OL10 |
3P |
13.426 |
100 |
28 |
17.45 |
11 |
9 |
12 |
4 |
2 |
|
1/4-18 NPTF |
ANSI G |
TNTF04OL15 |
3P |
13.426 |
150 |
28 |
17.45 |
11 |
9 |
12 |
4 |
2 |
|
3/8-18 NPTF |
ANSI G |
TNTF06OL10 |
3P |
16.866 |
100 |
28 |
17.65 |
14 |
11 |
14 |
4 |
2 |
|
3/8-18 NPTF |
ANSI G |
TNTF06OL15 |
3P |
16.866 |
150 |
28 |
17.65 |
14 |
11 |
14 |
4 |
2 |
|
1/2-14 NPTF |
ANSI G |
TNTF08QL15 |
3P |
20.980 |
150 |
35 |
22.85 |
18 |
14 |
17 |
4 |
2 |
|
3/4-14 NPTF |
ANSI G |
TNTF12QL15 |
3P |
26.325 |
150 |
35 |
22.95 |
23 |
17 |
20 |
4 |
2 |
|
1 -11 1/2 NPTF |
ANSI G |
TNTF16TL15 |
3P |
32.934 |
150 |
45 |
27.4 |
26 |
21 |
24 |
5 |
2 |
| แบรนด์สินค้า | YAMAWA |
|---|---|
| Chamfer | 3P |
