Specification

Tapping Speeds depending on Materials


Segment:1G
|
Size |
Class |
Code |
Chamfer |
Basic major dia (mm) |
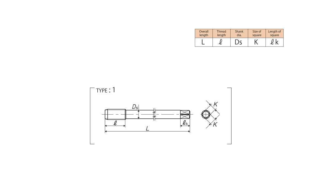
L (mm) |
ℓ (mm) |
Ds (mm) |
K (mm) |
ℓk (mm) |
No. of flutes |
TYPE |
|
For Pipe Threads |
|||||||||||
|
PS 1/8-28 |
Ⅱ |
SH2P02KL10 |
2.5P |
9.728 |
100 |
19 |
8 |
6 |
9 |
3 |
1 |
|
PS 1/8-28 |
Ⅱ |
SH2P02KL12 |
2.5P |
9.728 |
120 |
19 |
8 |
6 |
9 |
3 |
1 |
|
PS 1/8-28 |
Ⅱ |
SH2P02KL15 |
2.5P |
9.728 |
150 |
19 |
8 |
6 |
9 |
3 |
1 |
|
PS 1/4-19 |
Ⅱ |
SH2P04-L10 |
2.5P |
13.157 |
100 |
28 |
11 |
9 |
12 |
3 |
1 |
|
PS 1/4-19 |
Ⅱ |
SH2P04-L15 |
2.5P |
13.157 |
150 |
28 |
11 |
9 |
12 |
3 |
1 |
|
PS 3/8-19 |
Ⅱ |
SH2P06-L10 |
2.5P |
16.662 |
100 |
28 |
14 |
11 |
14 |
3 |
1 |
|
PS 3/8-19 |
Ⅱ |
SH2P06-L12 |
2.5P |
16.662 |
120 |
28 |
14 |
11 |
14 |
3 |
1 |
|
PS 3/8-19 |
Ⅱ |
SH2P06-L15 |
2.5P |
16.662 |
150 |
28 |
14 |
11 |
14 |
3 |
1 |
|
PS 1/2-14 |
Ⅱ |
SH2P08QL15 |
2.5P |
20.955 |
150 |
35 |
18 |
14 |
17 |
4 |
1 |
|
PS 3/4-14 |
Ⅱ |
SH2P12QL15 |
2.5P |
26.441 |
150 |
35 |
23 |
17 |
20 |
4 |
1 |
|
PS 1 -11 |
Ⅱ |
SH2P16UL15 |
2.5P |
33.249 |
150 |
45 |
26 |
21 |
24 |
4 |
1 |
|
PS 1 -11 |
Ⅱ |
SH2P16UL20 |
2.5P |
33.249 |
200 |
45 |
26 |
21 |
24 |
4 |
1 |
| แบรนด์สินค้า | YAMAWA |
|---|
