・The product symbol is divided by nominal sizes.
| OL+RZ | all M |
| OL-RZ | all U |
Product Features
Tapping Data
Processing conditions [M6 × 1 G7P]
| Tap Type | OL+RZ, conventional product | ![]() |
| Workpiece Material | Rolled steel plate(SPCC) | |
| Bored Hole Size | φ5.55 | |
| Tapping Length | 4mm through hole | |
| Tapping Speed | 15m/min | |
| Machinery Type | Tapping machine | |
| Tapping Fluid | Completely dry |
Market Data
| Case № | Size | Class | Processed Workpiece Material |
Bored Hole Diameter (mm) |
Tapping Depth (mm) |
Tapping Speed (m/min) |
Machine Type |
Tapping Fluid |
Fluid Market Evaluation |
|
1 |
M3×0.5 | G5 | SPCC | φ2.75 | 6 | 12 | CNC machine | Mist | 9,000 holes processed. Good surface finish |
| 2 | M6×1 | G7 | SPCC | φ5.55 | 4 | 15 | Tapping machine | Mist | 15,000 holes processed. Good workability |
| 3 | M1.7×0.35 | G5 | SS400 | φ1.53 | 1.3 | 15 | Tapping machine | Water soluble |
200,000 holes processed. Competitor 100,000 holes. |
| 4 | M3×0.5 | G5 | SUS304 | φ2.79 | 5 | 15 | Special machine | Water soluble |
7,000 holes processed. Good workability. |
| 5 | M6×1 | G7 | SS400 | φ5.53 | 12 | 50 | Vertical machining center |
Water soluble |
5,000 holes processed. Competitors 1,000 holes. |
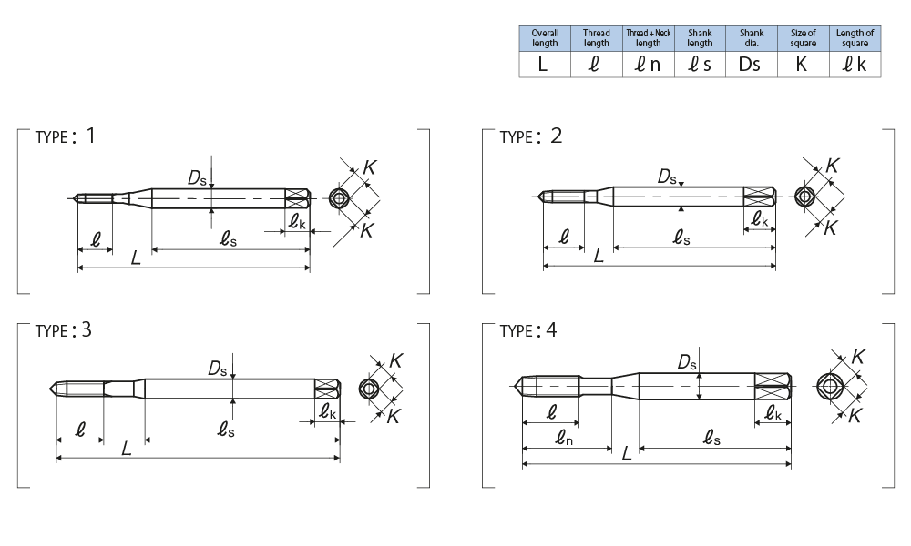
Specification

Tapping Speeds depending on Materials


OL+RZ Roll Taps for Dry Tapping, Coated
Recommended class
Segment:1J
|
Size |
Class |
Code |
Chamfer |
L (mm) |
ℓ (mm) |
ℓn (mm) |
ℓs (mm) |
Ds (mm) |
K (mm) |
ℓk (mm) |
Lobe |
TYPE |
|
For Metric Threads |
||||||||||||
|
M1×0.25 |
G4 |
OLRZP41.0BP |
4P |
36 |
4.5 |
- |
24 |
3 |
2.5 |
5 |
4 |
1 |
|
M1.2×0.25 |
G4 |
OLRZP41.2BP |
4P |
36 |
4.5 |
- |
24 |
3 |
2.5 |
5 |
4 |
1 |
|
M1.4×0.3 |
G4 |
OLRZP41.4CP |
4P |
36 |
5.4 |
- |
24 |
3 |
2.5 |
5 |
4 |
1 |
|
M1.6×0.35 |
G4 |
OLRZP41.6DP |
4P |
36 |
6.3 |
- |
24 |
3 |
2.5 |
5 |
4 |
2 |
|
M1.6×0.35 |
G6 |
OLRZP61.6DP |
4P |
36 |
6.3 |
- |
24 |
3 |
2.5 |
5 |
4 |
2 |
|
M1.7×0.35 |
G4 |
OLRZP41.7DP |
4P |
36 |
6.3 |
- |
24 |
3 |
2.5 |
5 |
4 |
2 |
|
M2×0.4 |
G4 |
OLRZP42.0EP |
4P |
42 |
7.2 |
- |
27 |
3 |
2.5 |
5 |
4 |
3 |
|
M2×0.4 |
G5 |
OLRZP52.0EP |
4P |
42 |
7.2 |
- |
27 |
3 |
2.5 |
5 |
4 |
3 |
|
M2×0.4 |
G6 |
OLRZP62.0EP |
4P |
42 |
7.2 |
- |
27 |
3 |
2.5 |
5 |
4 |
3 |
|
M2.3×0.4 |
G4 |
OLRZP42.3EP |
4P |
42 |
7.2 |
- |
27 |
3 |
2.5 |
5 |
4 |
3 |
|
M2.3×0.4 |
G5 |
OLRZP52.3EP |
4P |
42 |
7.2 |
- |
27 |
3 |
2.5 |
5 |
4 |
3 |
|
M2.5×0.45 |
G5 |
OLRZP52.5FP |
4P |
46 |
8.1 |
14 |
29 |
3 |
2.5 |
5 |
4 |
4 |
|
M2.5×0.45 |
G6 |
OLRZP62.5FP |
4P |
46 |
8.1 |
14 |
29 |
3 |
2.5 |
5 |
4 |
4 |
|
M2.6×0.45 |
G5 |
OLRZP52.6FP |
4P |
46 |
8.1 |
14 |
29 |
3 |
2.5 |
5 |
4 |
4 |
|
M2.6×0.45 |
G6 |
OLRZP62.6FP |
4P |
46 |
8.1 |
14 |
29 |
3 |
2.5 |
5 |
4 |
4 |
|
M3×0.5 |
G5 |
OLRZP53.0GP |
4P |
46 |
9 |
14 |
26 |
4 |
3.2 |
6 |
4 |
4 |
|
M3×0.5 |
G6 |
OLRZP63.0GP |
4P |
46 |
9 |
14 |
26 |
4 |
3.2 |
6 |
4 |
4 |
|
M3.5×0.6 |
G5 |
OLRZP53.5HP |
4P |
52 |
11 |
16 |
29 |
5 |
4 |
7 |
4 |
4 |
|
M3.5×0.6 |
G6 |
OLRZP63.5HP |
4P |
52 |
11 |
16 |
29 |
5 |
4 |
7 |
4 |
4 |
|
M4×0.7 |
G6 |
OLRZP64.0IP |
4P |
52 |
11 |
17 |
29 |
5 |
4 |
7 |
4 |
4 |
|
M4×0.7 |
G7 |
OLRZP74.0IP |
4P |
52 |
11 |
17 |
29 |
5 |
4 |
7 |
4 |
4 |
|
M5×0.8 |
G6 |
OLRZP65.0KP |
4P |
60 |
13 |
22 |
33 |
5.5 |
4.5 |
7 |
4 |
4 |
|
M5×0.8 |
G7 |
OLRZP75.0KP |
4P |
60 |
13 |
22 |
33 |
5.5 |
4.5 |
7 |
4 |
4 |
|
M6×1 |
G6 |
OLRZP66.0MP |
4P |
62 |
15 |
26 |
33 |
6 |
4.5 |
7 |
4 |
4 |
|
M6×1 |
G7 |
OLRZP76.0MP |
4P |
62 |
15 |
26 |
33 |
6 |
4.5 |
7 |
4 |
4 |
Number of oil grooves : non
| แบรนด์สินค้า | YAMAWA |
|---|
