Product Features
Specification

Tapping Speeds depending on Materials

25〜35HRC 35〜45HRC

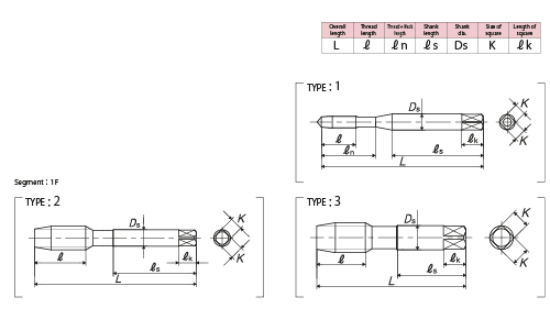
Segment:1F
|
Size |
Class |
Code |
Chamfer |
L (mm) |
ℓ (mm) |
ℓn (mm) |
ℓs (mm) |
Ds (mm) |
K (mm) |
ℓk (mm) |
No. of flutes |
TYPE |
|
For Unified Threads |
||||||||||||
|
No.6-32UNC |
P2 |
PYUN6JQDPB |
5.5P |
52 |
11 |
17 |
27 |
5 |
4 |
7 |
2 |
1 |
|
No.6-40UNF |
P2 |
PYUN6HQDPB |
5.5P |
52 |
11 |
17 |
27 |
5 |
4 |
7 |
2 |
1 |
|
No.8-32UNC |
P2 |
PYUN8JQDPB |
5.5P |
60 |
13 |
22 |
31 |
5.5 |
4.5 |
7 |
2 |
1 |
|
No.8-36UNF |
P2 |
PYUN8IQDPB |
5.5P |
60 |
13 |
22 |
31 |
5.5 |
4.5 |
7 |
2 |
1 |
|
No.10-24UNC |
P2 |
PYUNAMQDPB |
5.5P |
60 |
13 |
22 |
32 |
5.5 |
4.5 |
7 |
2 |
1 |
|
No.10-32UNF |
P2 |
PYUNAJQDPB |
5.5P |
60 |
13 |
22 |
32 |
5.5 |
4.5 |
7 |
2 |
1 |
|
No.12-24UNC |
P2 |
PYUNCMQDPB |
5.5P |
62 |
15 |
26 |
32 |
6 |
4.5 |
7 |
2 |
1 |
|
No.12-28UNF |
P2 |
PYUNCKQDPB |
5.5P |
62 |
15 |
26 |
32 |
6 |
4.5 |
7 |
2 |
1 |
|
1/4-20UNC |
P3 |
PYU04NRDPB |
5.5P |
62 |
15 |
26 |
33 |
6 |
4.5 |
7 |
3 |
1 |
|
1/4-28UNF |
P3 |
PYU04KRDPB |
5.5P |
62 |
15 |
26 |
33 |
6 |
4.5 |
7 |
3 |
1 |
|
5/16-18UNC |
P3 |
PYU05ORDPB |
5.5P |
70 |
19 |
- |
36 |
6.2 |
5 |
8 |
3 |
2 |
|
5/16-24UNF |
P3 |
PYU05MRDPB |
5.5P |
70 |
19 |
- |
36 |
6.2 |
5 |
8 |
3 |
2 |
|
3/8-16UNC |
P4 |
PYU06PSDPB |
5.5P |
75 |
23 |
- |
38 |
7 |
5.5 |
8 |
3 |
2 |
|
3/8-24UNF |
P3 |
PYU06MRDPB |
5.5P |
75 |
23 |
- |
38 |
7 |
5.5 |
8 |
3 |
2 |
|
7/16-14UNC |
P4 |
PYU07QSDPB |
5.5P |
82 |
26 |
- |
42 |
8.5 |
6.5 |
9 |
3 |
2 |
|
7/16-20UNF |
P3 |
PYU07NRDPB |
5.5P |
82 |
26 |
- |
42 |
8.5 |
6.5 |
9 |
3 |
2 |
|
1/2-13UNC |
P4 |
PYU08RSDPB |
5.5P |
88 |
26 |
- |
45 |
10.5 |
8 |
11 |
3 |
2 |
|
1/2-20UNF |
P4 |
PYU08NSDPB |
5.5P |
88 |
26 |
- |
45 |
10.5 |
8 |
11 |
3 |
2 |
|
9/16-12UNC |
P4 |
PYU09SSDPB |
5.5P |
95 |
26 |
- |
48 |
12.5 |
10 |
13 |
3 |
2 |
|
9/16-18UNF |
P4 |
PYU09OSDPB |
5.5P |
95 |
26 |
- |
48 |
12.5 |
10 |
13 |
3 |
2 |
|
5/8-11UNC |
P5 |
PYU10UTDPB |
5.5P |
95 |
26 |
- |
48 |
12.5 |
10 |
13 |
3 |
2 |
|
5/8-18UNF |
P4 |
PYU10OSDPB |
5.5P |
95 |
26 |
- |
48 |
12.5 |
10 |
13 |
3 |
2 |
|
3/4-10UNC |
P5 |
PYU12VTDPB |
5.5P |
105 |
33 |
- |
50 |
15 |
12 |
15 |
3 |
3 |
|
3/4-16UNF |
P4 |
PYU12PSDPB |
5.5P |
105 |
33 |
- |
50 |
15 |
12 |
15 |
3 |
3 |
|
7/8-9UNC |
P5 |
PYU14WTDPB |
5.5P |
115 |
33 |
- |
55 |
17 |
13 |
16 |
3 |
3 |
|
7/8-14UNF |
P4 |
PYU14QSDPB |
5.5P |
115 |
33 |
- |
55 |
17 |
13 |
16 |
3 |
3 |
|
1 -8UNC |
P6 |
PYU16XUDPB |
5.5P |
125 |
39 |
- |
58 |
19 |
15 |
18 |
3 |
3 |
|
1 -12UNF |
P5 |
PYU16STDPB |
5.5P |
125 |
39 |
- |
58 |
19 |
15 |
18 |
3 |
3 |
| แบรนด์สินค้า | YAMAWA |
|---|
