Specification

Tapping Speeds depending on Materials


Segment:1G
|
Size |
Class |
Code |
Chamfer |
Basic major dia (mm) |
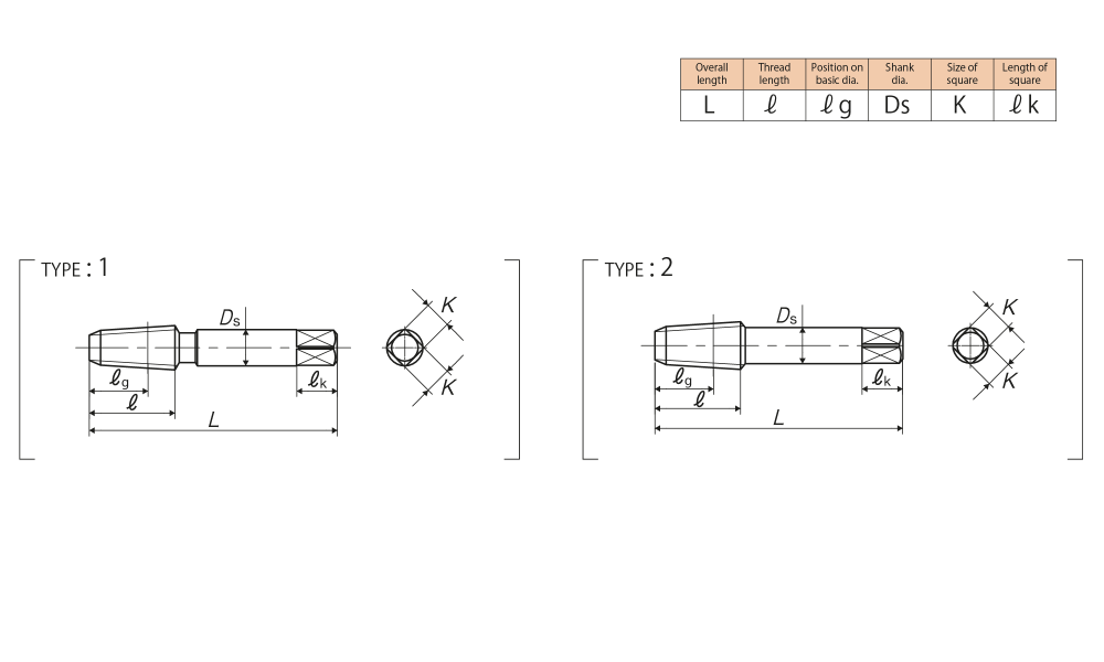
L (mm) |
ℓ (mm) |
ℓg (mm) |
Ds (mm) |
K (mm) |
ℓk (mm) |
No. of flutes |
TYPE |
|
For Pipe Threads |
||||||||||||
|
PT 1/16-28 |
Ⅱ |
TH2T01K-8 |
2.5P |
7.723 |
55 |
19 |
13 |
8 |
6 |
9 |
4 |
1 |
|
PT 1/8-28 |
Ⅱ |
TH2T02K |
2.5P |
9.728 |
55 |
19 |
13 |
8 |
6 |
9 |
4 |
2 |
|
PT 1/4-19 |
Ⅱ |
TH2T04- |
2.5P |
13.157 |
62 |
28 |
21 |
11 |
9 |
12 |
4 |
2 |
|
PT 3/8-19 |
Ⅱ |
TH2T06- |
2.5P |
16.662 |
65 |
28 |
21 |
14 |
11 |
14 |
4 |
2 |
|
PT 1/2-14 |
Ⅱ |
TH2T08Q |
2.5P |
20.955 |
80 |
35 |
25 |
18 |
14 |
17 |
4 |
2 |
|
PT 5/8-14 |
Ⅱ |
TH2T10Q |
2.5P |
22.911 |
82 |
35 |
25 |
19 |
15 |
18 |
4 |
2 |
|
PT 3/4-14 |
Ⅱ |
TH2T12Q |
2.5P |
26.441 |
85 |
35 |
25 |
23 |
17 |
20 |
4 |
2 |
|
PT 7/8-14 |
Ⅱ |
TH2T14Q |
2.5P |
30.201 |
90 |
40 |
28 |
24 |
19 |
22 |
4 |
2 |
|
PT 1 -11 |
Ⅱ |
TH2T16U |
2.5P |
33.249 |
95 |
45 |
32 |
26 |
21 |
24 |
5 |
2 |
|
PT 1 1/8-11 |
Ⅱ |
TH2T18U |
2.5P |
37.897 |
100 |
45 |
32 |
28 |
21 |
24 |
5 |
2 |
|
PT 1 1/4-11 |
Ⅱ |
TH2T20U |
2.5P |
41.910 |
105 |
45 |
32 |
32 |
26 |
30 |
5 |
2 |
|
PT 1 3/8-11 |
Ⅱ |
TH2T22U |
2.5P |
44.323 |
110 |
45 |
32 |
35 |
26 |
30 |
6 |
2 |
|
PT 1 1/2-11 |
Ⅱ |
TH2T24U |
2.5P |
47.803 |
110 |
45 |
32 |
38 |
29 |
32 |
6 |
2 |
|
PT 1 3/4-11 |
Ⅱ |
TH2T28U |
2.5P |
53.746 |
115 |
45 |
32 |
42 |
32 |
35 |
6 |
2 |
|
PT 2 -11 |
Ⅱ |
TH2T32U |
2.5P |
59.614 |
120 |
50 |
35 |
46 |
35 |
38 |
6 |
2 |
|
PT 2 1/4-11 |
Ⅱ |
TH2T36U |
2.5P |
65.710 |
145 |
65 |
50 |
50 |
38 |
42 |
6 |
2 |
|
PT 2 1/2-11 |
Ⅱ |
TH2T40U |
2.5P |
75.184 |
145 |
65 |
50 |
55 |
41 |
44 |
8 |
2 |
|
PT 3 -11 |
Ⅱ |
TH2T48U |
2.5P |
87.884 |
155 |
65 |
52 |
65 |
50 |
52 |
8 |
2 |
|
PT 3 1/2-11 |
Ⅱ |
TH2T56U |
2.5P |
100.330 |
165 |
68 |
52 |
70 |
54 |
58 |
8 |
2 |
|
PT 4 -11 |
Ⅱ |
TH2T64U |
2.5P |
113.030 |
170 |
70 |
55 |
75 |
58 |
62 |
10 |
2 |
| แบรนด์สินค้า | YAMAWA |
|---|
