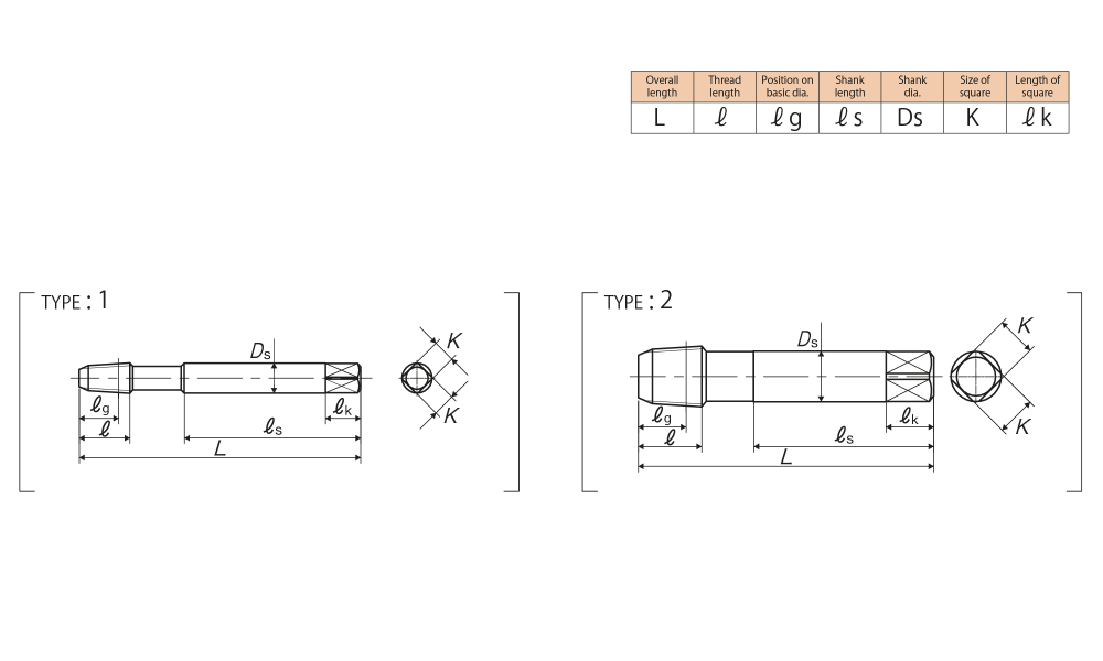
Specification

Tapping Speeds depending on Materials


Segment:1G
|
Size |
Class |
Code |
Chamfer |
Basic major dia (mm) |
L (mm) |
ℓ (mm) |
ℓg (mm) |
ℓs (mm) |
Ds (mm) |
K (mm) |
ℓk (mm) |
No. of flutes |
TYPE |
|
For Pipe Threads |
|||||||||||||
|
PT 1/16-28 |
Ⅱ |
THX2T01K-8 |
2.5P |
7.723 |
75 |
13.5 |
10.5 |
47 |
8 |
6 |
9 |
4 |
1 |
|
PT 1/8-28 |
Ⅱ |
THX2T02K |
2.5P |
9.728 |
75 |
13.5 |
10.5 |
48 |
8 |
6 |
9 |
4 |
2 |
|
PT 1/4-19 |
Ⅱ |
THX2T04- |
2.5P |
13.157 |
85 |
16.5 |
12.5 |
54 |
11 |
9 |
12 |
4 |
2 |
|
PT 3/8-19 |
Ⅱ |
THX2T06- |
2.5P |
16.662 |
95 |
18 |
14 |
60 |
14 |
11 |
14 |
4 |
2 |
|
PT 1/2-14 |
Ⅱ |
THX2T08Q |
2.5P |
20.955 |
105 |
22.5 |
17 |
64 |
18 |
14 |
17 |
4 |
2 |
| แบรนด์สินค้า | YAMAWA |
|---|
