■ R+V is coated forming tap for ferrous and nonferrous materials. Optimum coating suitable to the tapping condition.
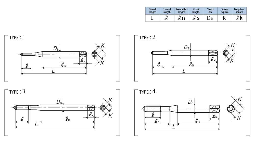
Specification

Tapping Speeds depending on Materials


Recommended class
Segment:1J
|
Size |
Class |
Code |
Chamfer |
L (mm) |
ℓ (mm) |
ℓn (mm) |
ℓs (mm) |
Ds (mm) |
K (mm) |
ℓk (mm) |
Lobe |
TYPE |
|
For Metric Threads |
||||||||||||
|
M1×0.25 |
G4 |
RVP41.0BP |
4P |
36 |
4.5 |
- |
24 |
3 |
2.5 |
5 |
4 |
1 |
|
M1×0.25 |
G4 |
RVP41.0BB |
2P |
36 |
4.5 |
- |
24 |
3 |
2.5 |
5 |
4 |
1 |
|
M1×0.25 |
G5 |
RVP51.0BP |
4P |
36 |
4.5 |
- |
24 |
3 |
2.5 |
5 |
4 |
1 |
|
M1×0.25 |
G5 |
RVP51.0BB |
2P |
36 |
4.5 |
- |
24 |
3 |
2.5 |
5 |
4 |
1 |
|
M1.2×0.25 |
G4 |
RVP41.2BP |
4P |
36 |
4.5 |
- |
24 |
3 |
2.5 |
5 |
4 |
1 |
|
M1.2×0.25 |
G4 |
RVP41.2BB |
2P |
36 |
4.5 |
- |
24 |
3 |
2.5 |
5 |
4 |
1 |
|
M1.2×0.25 |
G5 |
RVP51.2BP |
4P |
36 |
4.5 |
- |
24 |
3 |
2.5 |
5 |
4 |
1 |
|
M1.2×0.25 |
G5 |
RVP51.2BB |
2P |
36 |
4.5 |
- |
24 |
3 |
2.5 |
5 |
4 |
1 |
|
M1.4×0.3 |
G4 |
RVP41.4CP |
4P |
36 |
5.4 |
- |
24 |
3 |
2.5 |
5 |
4 |
1 |
|
M1.4×0.3 |
G4 |
RVP41.4CB |
2P |
36 |
5.4 |
- |
24 |
3 |
2.5 |
5 |
4 |
1 |
|
M1.4×0.3 |
G5 |
RVP51.4CP |
4P |
36 |
5.4 |
- |
24 |
3 |
2.5 |
5 |
4 |
1 |
|
M1.4×0.3 |
G5 |
RVP51.4CB |
2P |
36 |
5.4 |
- |
24 |
3 |
2.5 |
5 |
4 |
1 |
|
M1.6×0.35 |
G4 |
RVP41.6DP |
4P |
36 |
6.3 |
- |
24 |
3 |
2.5 |
5 |
4 |
2 |
|
M1.6×0.35 |
G4 |
RVP41.6DB |
2P |
36 |
6.3 |
- |
24 |
3 |
2.5 |
5 |
4 |
2 |
|
M1.6×0.35 |
G5 |
RVP51.6DP |
4P |
36 |
6.3 |
- |
24 |
3 |
2.5 |
5 |
4 |
2 |
|
M1.6×0.35 |
G5 |
RVP51.6DB |
2P |
36 |
6.3 |
- |
24 |
3 |
2.5 |
5 |
4 |
2 |
|
M1.6×0.35 |
G6 |
RVP61.6DB |
2P |
36 |
6.3 |
- |
24 |
3 |
2.5 |
5 |
4 |
2 |
|
M1.7×0.35 |
G4 |
RVP41.7DP |
4P |
36 |
6.3 |
- |
24 |
3 |
2.5 |
5 |
4 |
2 |
|
M1.7×0.35 |
G4 |
RVP41.7DB |
2P |
36 |
6.3 |
- |
24 |
3 |
2.5 |
5 |
4 |
2 |
|
M1.7×0.35 |
G5 |
RVP51.7DP |
4P |
36 |
6.3 |
- |
24 |
3 |
2.5 |
5 |
4 |
2 |
|
M1.7×0.35 |
G5 |
RVP51.7DB |
2P |
36 |
6.3 |
- |
24 |
3 |
2.5 |
5 |
4 |
2 |
|
M1.7×0.35 |
G6 |
RVP61.7DP |
4P |
36 |
6.3 |
- |
24 |
3 |
2.5 |
5 |
4 |
2 |
|
M1.7×0.35 |
G6 |
RVP61.7DB |
2P |
36 |
6.3 |
- |
24 |
3 |
2.5 |
5 |
4 |
2 |
|
M2×0.4 |
G4 |
RVP42.0EP |
4P |
42 |
7.2 |
- |
27 |
3 |
2.5 |
5 |
4 |
3 |
|
M2×0.4 |
G4 |
RVP42.0EB |
2P |
42 |
7.2 |
- |
27 |
3 |
2.5 |
5 |
4 |
3 |
|
M2×0.4 |
G5 |
RVP52.0EP |
4P |
42 |
7.2 |
- |
27 |
3 |
2.5 |
5 |
4 |
3 |
|
M2×0.4 |
G5 |
RVP52.0EB |
2P |
42 |
7.2 |
- |
27 |
3 |
2.5 |
5 |
4 |
3 |
|
M2×0.4 |
G6 |
RVP62.0EP |
4P |
42 |
7.2 |
- |
27 |
3 |
2.5 |
5 |
4 |
3 |
|
M2×0.4 |
G6 |
RVP62.0EB |
2P |
42 |
7.2 |
- |
27 |
3 |
2.5 |
5 |
4 |
3 |
|
M2.3×0.4 |
G4 |
RVP42.3EP |
4P |
42 |
7.2 |
- |
27 |
3 |
2.5 |
5 |
4 |
3 |
|
M2.3×0.4 |
G4 |
RVP42.3EB |
2P |
42 |
7.2 |
- |
27 |
3 |
2.5 |
5 |
4 |
3 |
|
M2.3×0.4 |
G5 |
RVP52.3EP |
4P |
42 |
7.2 |
- |
27 |
3 |
2.5 |
5 |
4 |
3 |
|
M2.3×0.4 |
G5 |
RVP52.3EB |
2P |
42 |
7.2 |
- |
27 |
3 |
2.5 |
5 |
4 |
3 |
|
M2.5×0.45 |
G5 |
RVP52.5FP |
4P |
46 |
8.1 |
14 |
29 |
3 |
2.5 |
5 |
4 |
4 |
|
M2.5×0.45 |
G5 |
RVP52.5FB |
2P |
46 |
8.1 |
14 |
29 |
3 |
2.5 |
5 |
4 |
4 |
|
M2.5×0.45 |
G6 |
RVP62.5FP |
4P |
46 |
8.1 |
14 |
29 |
3 |
2.5 |
5 |
4 |
4 |
|
M2.5×0.45 |
G6 |
RVP62.5FB |
2P |
46 |
8.1 |
14 |
29 |
3 |
2.5 |
5 |
4 |
4 |
|
M2.6×0.45 |
G5 |
RVP52.6FP |
4P |
46 |
8.1 |
14 |
29 |
3 |
2.5 |
5 |
4 |
4 |
|
M2.6×0.45 |
G5 |
RVP52.6FB |
2P |
46 |
8.1 |
14 |
29 |
3 |
2.5 |
5 |
4 |
4 |
|
M2.6×0.45 |
G6 |
RVP62.6FP |
4P |
46 |
8.1 |
14 |
29 |
3 |
2.5 |
5 |
4 |
4 |
|
M2.6×0.45 |
G6 |
RVP62.6FB |
2P |
46 |
8.1 |
14 |
29 |
3 |
2.5 |
5 |
4 |
4 |
|
M3×0.5 |
G5 |
RVP53.0GP |
4P |
46 |
9 |
14 |
26 |
4 |
3.2 |
6 |
4 |
4 |
|
M3×0.5 |
G5 |
RVP53.0GB |
2P |
46 |
9 |
14 |
26 |
4 |
3.2 |
6 |
4 |
4 |
|
M3×0.5 |
G6 |
RVP63.0GP |
4P |
46 |
9 |
14 |
26 |
4 |
3.2 |
6 |
4 |
4 |
|
M3×0.5 |
G6 |
RVP63.0GB |
2P |
46 |
9 |
14 |
26 |
4 |
3.2 |
6 |
4 |
4 |
|
M3×0.5 |
G7 |
RVP73.0GP |
4P |
46 |
9 |
14 |
26 |
4 |
3.2 |
6 |
4 |
4 |
|
M3×0.5 |
G7 |
RVP73.0GB |
2P |
46 |
9 |
14 |
26 |
4 |
3.2 |
6 |
4 |
4 |
|
M3×0.5 |
G8 |
RVP83.0GP |
4P |
46 |
9 |
14 |
26 |
4 |
3.2 |
6 |
4 |
4 |
|
M4×0.7 |
G5 |
RVP54.0IP |
4P |
52 |
11 |
17 |
29 |
5 |
4 |
7 |
4 |
4 |
|
M4×0.7 |
G5 |
RVP54.0IB |
2P |
52 |
11 |
17 |
29 |
5 |
4 |
7 |
4 |
4 |
|
M4×0.7 |
G6 |
RVP64.0IP |
4P |
52 |
11 |
17 |
29 |
5 |
4 |
7 |
4 |
4 |
|
M4×0.7 |
G6 |
RVP64.0IB |
2P |
52 |
11 |
17 |
29 |
5 |
4 |
7 |
4 |
4 |
|
M4×0.7 |
G7 |
RVP74.0IP |
4P |
52 |
11 |
17 |
29 |
5 |
4 |
7 |
4 |
4 |
|
M4×0.7 |
G7 |
RVP74.0IB |
2P |
52 |
11 |
17 |
29 |
5 |
4 |
7 |
4 |
4 |
|
M4×0.7 |
G8 |
RVP84.0IP |
4P |
52 |
11 |
17 |
29 |
5 |
4 |
7 |
4 |
4 |
|
M4×0.7 |
G8 |
RVP84.0IB |
2P |
52 |
11 |
17 |
29 |
5 |
4 |
7 |
4 |
4 |
|
M5×0.8 |
G5 |
RVP55.0KP |
4P |
60 |
13 |
22 |
33 |
5.5 |
4.5 |
7 |
4 |
4 |
|
M5×0.8 |
G5 |
RVP55.0KB |
2P |
60 |
13 |
22 |
33 |
5.5 |
4.5 |
7 |
4 |
4 |
|
M5×0.8 |
G6 |
RVP65.0KP |
4P |
60 |
13 |
22 |
33 |
5.5 |
4.5 |
7 |
4 |
4 |
|
M5×0.8 |
G6 |
RVP65.0KB |
2P |
60 |
13 |
22 |
33 |
5.5 |
4.5 |
7 |
4 |
4 |
|
M5×0.8 |
G7 |
RVP75.0KP |
4P |
60 |
13 |
22 |
33 |
5.5 |
4.5 |
7 |
4 |
4 |
|
M5×0.8 |
G7 |
RVP75.0KB |
2P |
60 |
13 |
22 |
33 |
5.5 |
4.5 |
7 |
4 |
4 |
|
M5×0.8 |
G8 |
RVP85.0KP |
4P |
60 |
13 |
22 |
33 |
5.5 |
4.5 |
7 |
4 |
4 |
|
M5×0.8 |
G8 |
RVP85.0KB |
2P |
60 |
13 |
22 |
33 |
5.5 |
4.5 |
7 |
4 |
4 |
|
M6×1 |
G6 |
RVP66.0MP |
4P |
62 |
15 |
26 |
33 |
6 |
4.5 |
7 |
4 |
4 |
|
M6×1 |
G6 |
RVP66.0MB |
2P |
62 |
15 |
26 |
33 |
6 |
4.5 |
7 |
4 |
4 |
|
M6×1 |
G7 |
RVP76.0MP |
4P |
62 |
15 |
26 |
33 |
6 |
4.5 |
7 |
4 |
4 |
|
M6×1 |
G7 |
RVP76.0MB |
2P |
62 |
15 |
26 |
33 |
6 |
4.5 |
7 |
4 |
4 |
|
M6×1 |
G8 |
RVP86.0MP |
4P |
62 |
15 |
26 |
33 |
6 |
4.5 |
7 |
4 |
4 |
|
M6×1 |
G8 |
RVP86.0MB |
2P |
62 |
15 |
26 |
33 |
6 |
4.5 |
7 |
4 |
4 |
Number of oil grooves : Metric thread : M2.6 and smaller=non, M3 and larger=4
For M6 and smaller, external centers of 2P chamfer taps are removed.
| แบรนด์สินค้า | YAMAWA |
|---|
