Specification

Tapping Speeds depending on Materials


Segment:1G
|
Size |
Class |
Code |
Chamfer |
Basic major dia (mm) |
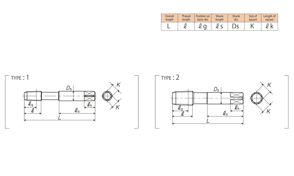
L (mm) |
ℓ (mm) |
ℓg (mm) |
ℓs (mm) |
Ds (mm) |
K (mm) |
ℓk (mm) |
No. of flutes |
TYPE |
|
For Pipe Threads |
|||||||||||||
|
Rc 1/16-28 |
Ⅱ |
TH2RC01K |
2.5P |
7.723 |
59 |
14 |
10.1 |
30 |
8 |
6 |
9 |
4 |
1 |
|
Rc 1/8-28 |
Ⅱ |
TH2RC02K |
2.5P |
9.728 |
59 |
15 |
10.1 |
30 |
8 |
6 |
9 |
4 |
2 |
|
Rc 1/4-19 |
Ⅱ |
TH2RC04- |
2.5P |
13.157 |
67 |
19 |
15 |
34 |
11 |
9 |
12 |
4 |
2 |
|
Rc 3/8-19 |
Ⅱ |
TH2RC06- |
2.5P |
16.662 |
75 |
21 |
15.4 |
38 |
14 |
11 |
14 |
4 |
2 |
|
Rc 1/2-14 |
Ⅱ |
TH2RC08Q |
2.5P |
20.955 |
87 |
26 |
20.5 |
44 |
18 |
14 |
17 |
4 |
2 |
|
Rc 3/4-14 |
Ⅱ |
TH2RC12Q |
2.5P |
26.441 |
96 |
28 |
21.8 |
49 |
23 |
17 |
20 |
4 |
2 |
|
Rc 1 -11 |
Ⅱ |
TH2RC16U |
2.5P |
33.249 |
109 |
33 |
26 |
56 |
26 |
21 |
24 |
5 |
2 |
|
Rc 1 1/4-11 |
Ⅱ |
TH2RC20U |
2.5P |
41.910 |
119 |
36 |
28.3 |
61 |
32 |
26 |
30 |
5 |
2 |
|
Rc 1 1/2-11 |
Ⅱ |
TH2RC24U |
2.5P |
47.803 |
125 |
37 |
28.3 |
64 |
38 |
29 |
32 |
6 |
2 |
|
Rc 2 -11 |
Ⅱ |
TH2RC32U |
2.5P |
59.614 |
140 |
41 |
32.7 |
71 |
46 |
35 |
38 |
6 |
2 |
| แบรนด์สินค้า | YAMAWA |
|---|
