Specification

Tapping Speeds depending on Materials


Segment:1G
|
Size |
Class |
Code |
Chamfer |
Basic major dia (mm) |
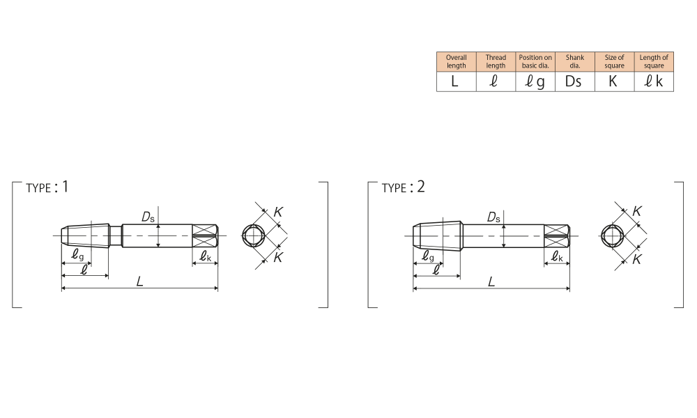
L (mm) |
ℓ (mm) |
ℓg (mm) |
Ds (mm) |
K (mm) |
ℓk (mm) |
No. of flutes |
TYPE |
|
For Pipe Threads |
||||||||||||
|
PT 1/16-28 |
Ⅱ |
TSPT01K-8 |
2.5P |
7.723 |
55 |
16.5 |
10.5 |
8 |
6 |
9 |
4 |
1 |
|
PT 1/8-28 |
Ⅱ |
TSPT02K |
2.5P |
9.728 |
55 |
16.5 |
10.5 |
8 |
6 |
9 |
4 |
2 |
|
PT 1/4-19 |
Ⅱ |
TSPT04- |
2.5P |
13.157 |
62 |
19.5 |
12.5 |
11 |
9 |
12 |
4 |
2 |
|
PT 3/8-19 |
Ⅱ |
TSPT06- |
2.5P |
16.662 |
65 |
21 |
14 |
14 |
11 |
14 |
4 |
2 |
|
PT 1/2-14 |
Ⅱ |
TSPT08Q |
2.5P |
20.955 |
80 |
27 |
17 |
18 |
14 |
17 |
4 |
2 |
|
PT 3/4-14 |
Ⅱ |
TSPT12Q |
2.5P |
26.441 |
85 |
29 |
19 |
23 |
17 |
20 |
4 |
2 |
|
PT 1 -11 |
Ⅱ |
TSPT16U |
2.5P |
33.249 |
95 |
35 |
22 |
26 |
21 |
24 |
5 |
2 |
|
PT 1 1/4-11 |
Ⅱ |
TSPT20U |
2.5P |
41.910 |
105 |
37.5 |
24.5 |
32 |
26 |
30 |
5 |
2 |
|
PT 1 1/2-11 |
Ⅱ |
TSPT24U |
2.5P |
47.803 |
110 |
38.5 |
25.5 |
38 |
29 |
32 |
6 |
2 |
|
PT 1 3/4-11 |
Ⅱ |
TSPT28U |
2.5P |
53.746 |
115 |
39.5 |
26.5 |
42 |
32 |
35 |
6 |
2 |
|
PT 2 -11 |
Ⅱ |
TSPT32U |
2.5P |
59.614 |
120 |
42.5 |
27.5 |
46 |
35 |
38 |
6 |
2 |
|
PT 2 1/2-11 |
Ⅱ |
TSPT40U |
2.5P |
75.184 |
145 |
47 |
32 |
55 |
41 |
44 |
8 |
2 |
|
PT 3 -11 |
Ⅱ |
TSPT48U |
2.5P |
87.884 |
155 |
51 |
36 |
65 |
50 |
52 |
8 |
2 |
| แบรนด์สินค้า | YAMAWA |
|---|
