Product Features
Tapping Data
Processing conditions [M3 × 0.5]
| Workpiece Material | SCM440/32HRC | ![]() |
| Bored Hole Size | φ2.8 | |
| Tapping Length | 4.5mm | |
| Tapping Speed | 5m/min | |
| Machinery Type | Tapping center | |
| Tapping Fluid | Water soluble cutting fluid(10 to 1 dilution) |

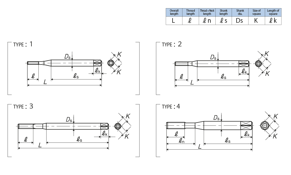
Specification

Tapping Speeds depending on Materials


Recommended class
Segment:1J
|
Size |
Class |
Code |
Chamfer |
L (mm) |
ℓ (mm) |
ℓn (mm) |
ℓs (mm) |
Ds (mm) |
K (mm) |
ℓk (mm) |
Lobe |
TYPE |
|
For Metric Threads |
||||||||||||
|
M1×0.25 |
G4 |
SRZM41.0B1 |
1P |
36 |
4.5 |
- |
24 |
3 |
2.5 |
5 |
4 |
1 |
|
M1.2×0.25 |
G4 |
SRZM41.2B1 |
1P |
36 |
4.5 |
- |
24 |
3 |
2.5 |
5 |
4 |
1 |
|
M1.4×0.3 |
G4 |
SRZM41.4C1 |
1P |
36 |
5.4 |
- |
24 |
3 |
2.5 |
5 |
4 |
1 |
|
M1.4×0.2 |
G3 |
SRZM31.4A1 |
1P |
36 |
3.6 |
- |
24 |
3 |
2.5 |
5 |
4 |
1 |
|
M1.6×0.35 |
G4 |
SRZM41.6D1 |
1P |
36 |
6.3 |
- |
24 |
3 |
2.5 |
5 |
4 |
2 |
|
M1.6×0.2 |
G3 |
SRZM31.6A1 |
1P |
36 |
3.6 |
- |
24 |
3 |
2.5 |
5 |
4 |
2 |
|
M1.7×0.35 |
G4 |
SRZM41.7D1 |
1P |
36 |
6.3 |
- |
24 |
3 |
2.5 |
5 |
4 |
2 |
|
M2×0.4 |
G4 |
SRZM42.0E1 |
1P |
42 |
7.2 |
- |
27 |
3 |
2.5 |
5 |
4 |
3 |
|
M2.5×0.45 |
G5 |
SRZM52.5F1 |
1P |
46 |
8.1 |
14 |
29 |
3 |
2.5 |
5 |
4 |
4 |
|
M2.6×0.45 |
G5 |
SRZM52.6F1 |
1P |
46 |
8.1 |
14 |
29 |
3 |
2.5 |
5 |
4 |
4 |
|
M3×0.5 |
G5 |
SRZM53.0G1 |
1P |
46 |
9 |
14 |
26 |
4 |
3.2 |
6 |
4 |
4 |
|
M4×0.7 |
G6 |
SRZM64.0I1 |
1P |
52 |
11 |
17 |
29 |
5 |
4 |
7 |
4 |
4 |
|
M5×0.8 |
G6 |
SRZM65.0K1 |
1P |
60 |
13 |
22 |
33 |
5.5 |
4.5 |
7 |
4 |
4 |
|
M6×1 |
G6 |
SRZM66.0M1 |
1P |
62 |
15 |
26 |
33 |
6 |
4.5 |
7 |
4 |
4 |
Number of oil grooves : Metric thread: M2.6 and smaller = non, M3 and larger = 2
Unified thread: No.4 and smaller = non
| แบรนด์สินค้า | YAMAWA |
|---|
