Product Features

The accuracy of the SITD
The single pitch diameter tolerance, the pitch tolerance and the threads half angle allowance are all important in the accurate measurement of an internal screw thread.
The SITD gauges are manufactured to the same accuracy as that of a thread plug gauge.

* The screw thread precision is the same as a thread gauge, but since some of the specifications like length of screw thread portion and the relief shape of the thread root are originated by YAMAWA. Therefore, these gauges are not to be called "thread gauge" and distinguished as "simple inspection tools for internal screw threads".
The SITD is distinguished as a simple inspection tool of internal screw threads.
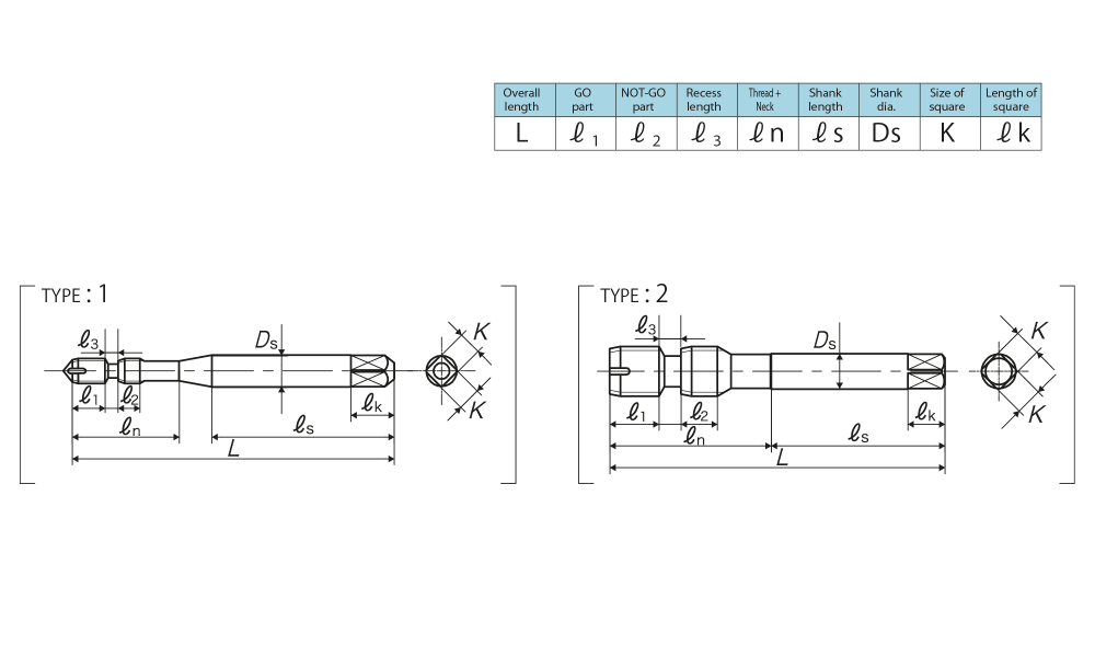
Specification


Segment:7B
|
Size |
Class |
Code |
L (mm) |
ℓ1 (mm) |
ℓ2 (mm) |
ℓ3 (mm) |
ℓn (mm) |
ℓs (mm) |
Ds (mm) |
K (mm) |
ℓk (mm) |
TYPE |
|
For Unified Threads |
||||||||||||
|
No.2-56UNC |
2B |
ITDM2UN2E |
42 |
4.4 |
2.3 |
1.4 |
12 |
26 |
3 |
2.5 |
5 |
1 |
|
No.2-64UNF |
2B |
ITDM2UN2D |
42 |
4.9 |
2 |
1.2 |
12 |
26 |
3 |
2.5 |
5 |
1 |
|
No.3-48UNC |
2B |
ITDM2UN3F |
46 |
3.9 |
2.6 |
1.6 |
14 |
28 |
3 |
2.5 |
5 |
1 |
|
No.3-56UNF |
2B |
ITDM2UN3E |
46 |
4.4 |
2.3 |
1.4 |
14 |
28 |
3 |
2.5 |
5 |
1 |
|
No.4-40UNC |
2B |
ITDM2UN4H |
46 |
3.9 |
3.2 |
1.9 |
14 |
25 |
4 |
3.2 |
6 |
1 |
|
No.4-48UNF |
2B |
ITDM2UN4F |
46 |
4.8 |
2.6 |
1.6 |
14 |
25 |
4 |
3.2 |
6 |
1 |
|
No.5-40UNC |
2B |
ITDM2UN5H |
52 |
5.9 |
3.2 |
1.9 |
16 |
28 |
5 |
4 |
7 |
1 |
|
No.5-44UNF |
2B |
ITDM2UN5G |
52 |
6.4 |
2.9 |
1.7 |
16 |
28 |
5 |
4 |
7 |
1 |
|
No.6-32UNC |
2B |
ITDM2UN6J |
52 |
4.6 |
4 |
2.4 |
17 |
27 |
5 |
4 |
7 |
1 |
|
No.6-40UNF |
2B |
ITDM2UN6H |
52 |
5.9 |
3.2 |
1.9 |
17 |
27 |
5 |
4 |
7 |
1 |
|
No.8-32UNC |
2B |
ITDM2UN8J |
60 |
6.6 |
4 |
2.4 |
22 |
31 |
5.5 |
4.5 |
7 |
1 |
|
No.8-36UNF |
2B |
ITDM2UN8I |
60 |
7.4 |
3.5 |
2.1 |
22 |
31 |
5.5 |
4.5 |
7 |
1 |
|
No.10-24UNC |
2B |
ITDM2UNAM |
62 |
7.5 |
5.3 |
3.2 |
26 |
32 |
6 |
4.5 |
7 |
1 |
|
No.10-32UNF |
2B |
ITDM2UNAJ |
62 |
9.6 |
4 |
2.4 |
26 |
32 |
6 |
4.5 |
7 |
1 |
|
No.12-24UNC |
2B |
ITDM2UNCM |
62 |
6.5 |
5.3 |
3.2 |
26 |
32 |
6 |
4.5 |
7 |
1 |
|
No.12-28UNF |
2B |
ITDM2UNCK |
62 |
7.8 |
4.5 |
2.7 |
26 |
32 |
6 |
4.5 |
7 |
1 |
|
1/4-20UNC |
2B |
ITDM2U04N |
70 |
10.2 |
6.4 |
3.8 |
34 |
36 |
6.2 |
5 |
8 |
2 |
|
1/4-28UNF |
2B |
ITDM2U04K |
70 |
13.2 |
4.5 |
2.7 |
34 |
36 |
6.2 |
5 |
8 |
2 |
|
5/16-18UNC |
2B |
ITDM2U05O |
70 |
7.7 |
7.1 |
4.2 |
34 |
36 |
6.2 |
5 |
8 |
2 |
|
5/16-24UNF |
2B |
ITDM2U05M |
70 |
10.5 |
5.3 |
3.2 |
34 |
36 |
6.2 |
5 |
8 |
2 |
|
3/8-16UNC |
2B |
ITDM2U06P |
75 |
10.7 |
7.9 |
4.8 |
37 |
38 |
7 |
5.5 |
8 |
2 |
|
3/8-24UNF |
2B |
ITDM2U06M |
75 |
14.9 |
5.3 |
3.2 |
37 |
38 |
7 |
5.5 |
8 |
2 |
|
7/16-14UNC |
2B |
ITDM2U07Q |
82 |
12.3 |
9.1 |
5.4 |
40 |
42 |
8.5 |
6.5 |
9 |
2 |
|
7/16-20UNF |
2B |
ITDM2U07N |
82 |
16.6 |
6.4 |
3.8 |
40 |
42 |
8.5 |
6.5 |
9 |
2 |
|
1/2-13UNC |
2B |
ITDM2U08R |
88 |
11.4 |
9.8 |
5.9 |
43 |
45 |
10.5 |
8 |
11 |
2 |
|
1/2-20UNF |
2B |
ITDM2U08N |
88 |
16.9 |
6.4 |
3.8 |
43 |
45 |
10.5 |
8 |
11 |
2 |
|
9/16-12UNC |
2B |
ITDM2U09S |
95 |
10.5 |
10.6 |
6.4 |
47 |
48 |
12.5 |
10 |
13 |
2 |
|
9/16-18UNF |
2B |
ITDM2U09O |
95 |
16.2 |
7.1 |
4.2 |
47 |
48 |
12.5 |
10 |
13 |
2 |
|
5/8-11UNC |
2B |
ITDM2U10U |
100 |
16.4 |
11.5 |
6.9 |
49 |
51 |
14 |
11 |
14 |
2 |
|
5/8-18UNF |
2B |
ITDM2U10O |
100 |
23.5 |
7.1 |
4.2 |
49 |
51 |
14 |
11 |
14 |
2 |
| แบรนด์สินค้า | YAMAWA |
|---|
