The store will not work correctly when cookies are disabled.
SPARE TIPS | OH INDUSTRIAL
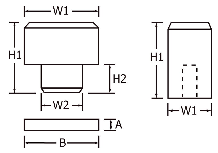
| Order No. |
W1 |
W2 |
H1 |
H2 |
A |
B |
| CO-10H |
ø10 |
- |
20 |
- |
- |
- |
| CO-15H |
ø15 |
- |
25 |
- |
- |
- |
| CO-25H |
ø25 |
ø12 |
25 |
10.6 |
ø4 |
25 |
| CO-30H |
ø30 |
ø15 |
30 |
12.6 |
ø4 |
30 |
| CO-35H |
ø35 |
ø17 |
33 |
13.6 |
ø5 |
30 |
| CO-38H |
ø38 |
ø18 |
37 |
14.6 |
ø5 |
35 |
| CO-45H |
ø45 |
ø22 |
39 |
14.6 |
ø5 |
45 |
ข้อมูลเพิ่มเติม
| แบรนด์สินค้า |
OH INDUSTRIAL |
เขียนรีวิวสินค้าของคุณเอง