● R精度±0.01mm 、ボール部先端から外周まで、高いR精度を示します。
● 優れた切れ味、きれいな仕上げ面。中心部切れ刃の刃形の工夫により、優れた仕上げ面粗さが得られます。
● 長寿命。高性能コーティングインサートにより長寿命です。
・ R accuracy : ±0.01mm High accuracy is exhibited from the ball tip to the outer circumference.
・ Excellent cutting performance and beautiful finish Special shape of central cutting flute provides excellent finished surface roughness.
・ Long life. High-performance coated inserts provide long life.
.
■ 鋼シャンク Steel Shank

| 商品コード Item code |
在庫 Stock |
インサート数 No.of inserts |
寸法 Size(mm) | 形状 Shape |
適用インサート Inserts |
|||||||||
|---|---|---|---|---|---|---|---|---|---|---|---|---|---|---|
| DC | RE | LF | DCONMS | LB2 | LH | BD3 | LS | θn | ||||||
| レギュラー Regular |
ABPF06S10 | ● | 1 | 6 | 3 | 80 | 10 | 15 | 30 | 5.4 | 50 | 4.3° | A | ZPFG06N-SH ZDFG06N-S□ |
| ABPF08S12 | ● | 1 | 8 | 4 | 100 | 12 | 10 | 22 | 7.5 | 78 | 6.4° | A | ZPFG080-SH ZDFG080-S□ | |
| ABPF10S12 | ● | 1 | 10 | 5 | 100 | 12 | 13 | 25 | 9.5 | 75 | 2.9° | A | ZPFG100-SH ZDFG100-S□ | |
| ABPF12S12 | ● | 1 | 12 | 6 | 110 | 12 | 15 | 30 | 11.5 | 80 | — | B | ZPFG120-SH ZDFG120-S□ | |
| ABPF16S20 | ● | 1 | 16 | 8 | 130 | 20 | 27 | 50 | 15 | 80 | 2.8° | A | ZPFG160-SH ZDFG160-S□ | |
| ABPF20S25 | ● | 1 | 20 | 10 | 140 | 25 | 35 | 60 | 19 | 80 | 2.9° | A | ZPFG200-SH ZDFG200-S□ | |
| ABPF25S32 | ● | 1 | 25 | 12.5 | 150 | 32 | 43 | 70 | 24 | 80 | 3.5° | A | ZPFG250-SH ZDFG250-S□ | |
| ABPF30S32 | ● | 1 | 30 | 15 | 160 | 32 | 55 | 80 | 29 | 80 | 1.2° | A | ZPFG300-SH ZDFG300-S□ | |
| ABPF32S32 | ● | 1 | 32 | 16 | 160 | 32 | 58 | 80 | 31 | 80 | — | B | ZPFG320(-G□) ZDFG320-W□ | |
| 首下ロング Under neck long |
ABPF08S12L | ● | 1 | 8 | 4 | 130 | 12 | 10 | 50 | 7.5 | 80 | 2.5° | A | ZPFG080-SH ZDFG080-S□ |
| ABPF10S16L | ● | 1 | 10 | 5 | 150 | 16 | 13 | 50 | 9.5 | 100 | 3.9° | A | ZPFG100-SH ZDFG100-S□ | |
| ABPF12S16L | ● | 1 | 12 | 6 | 160 | 16 | 15 | 60 | 10.8 | 100 | 2.2° | A | ZPFG120-SH ZDFG120-S□ | |
| ABPF16S20L | ● | 1 | 16 | 8 | 160 | 20 | 27 | 65 | 15 | 95 | 2.1° | A | ZPFG160-SH ZDFG160-S□ | |
| ABPF20S25L | ● | 1 | 20 | 10 | 180 | 25 | 35 | 80 | 19 | 100 | 2.1° | A | ZPFG200-SH ZDFG200-S□ | |
| ABPF20S20L120 | ● | 1 | 20 | 10 | 220 | 20 | 35 | 120 | 19 | 100 | — | B | ||
| ABPF20S20L150 | ● | 1 | 20 | 10 | 250 | 20 | 35 | 150 | 19 | 100 | — | B | ||
| ABPF25S32L | ● | 1 | 25 | 12.5 | 200 | 32 | 43 | 90 | 24 | 110 | 2.6° | A | ZPFG250-SH ZDFG250-S□ | |
| ABPF25S32L150 | ● | 1 | 25 | 12.5 | 250 | 32 | 43 | 150 | 24 | 100 | 1.5° | B | ||
| ABPF30S32L | ● | 1 | 30 | 15 | 220 | 32 | 55 | 100 | 29 | 120 | 0.7° | A | ZPFG300-SH ZDFG300-S□ | |
| ABPF30S32L150 | ● | 1 | 30 | 15 | 250 | 32 | 55 | 150 | 29 | 100 | 0.5° | B | ||
| ABPF30S32L200 | ● | 1 | 30 | 15 | 300 | 32 | 55 | 200 | 29 | 100 | 0.3° | B | ||
| ABPF32S32L | ● | 1 | 32 | 16 | 220 | 32 | 58 | 100 | 31 | 120 | — | B | ZPFG320(-G□) ZDFG320-W□ | |

| 商品コード Item code |
在庫 Stock |
インサート数 No.of inserts |
寸法 Size(mm) | 適用インサート Inserts |
|||||||||||
|---|---|---|---|---|---|---|---|---|---|---|---|---|---|---|---|
| DC | RE | MT番号 MT No. |
OAL | LB2 | LF | LS | DCONMS | BD3 | a | i | CRKS | ||||
| ABPF20MT2 | ● | 1 | 20 | 10 | MT2 | 129 | 35 | 65 | 64 | 17.78 | 19 | 5 | 24 | M10 | ZPFG200-SH ZDFG200-S□ |
| ABPF25MT3 | ● | 1 | 25 | 12.5 | MT3 | 166 | 43 | 85 | 81 | 23.825 | 24 | 5 | 28 | M12 | ZPFG250-SH ZDFG250-S□ |
| ABPF30MT4 | ● | 1 | 30 | 15 | MT4 | 217.5 | 55 | 115 | 102.5 | 31.267 | 29 | 6.5 | 32 | M16 | ZPFG300-SH ZDFG300-S□ |
| ABPF32MT4 | ● | 1 | 32 | 16 | MT4 | 217.5 | 58 | 115 | 102.5 | 31.267 | 31 | 6.5 | 32 | M16 | ZPFG320(-G□) ZDFG320-W□ |
■ 超硬シャンク Carbide Shank

| 商品コード Item code |
在庫 Stock |
インサート数 No.of inserts |
寸法 Size(mm) | 適用インサート Inserts |
||||||||
|---|---|---|---|---|---|---|---|---|---|---|---|---|
| DC | RE | LF | DCONMS | LB2 | LH | BD3 | LS | θn | ||||
| ABPF06S06W | ● | 1 | 6 | 3 | 90 | 6 | 10.3 | 25 | 5.5 | 65 | — | ZPFG06N-SH ZDFG06N-S□ |
| ABPF06S06WL65 | ● | 1 | 6 | 3 | 120 | 6 | 10.3 | 65 | 5.5 | 55 | — | |
| ABPF08S08W-90-25 | ● | 1 | 8 | 4 | 90 | 8 | 25 | 25 | 7.5 | 65 | — | ZPFG080-SH ZDFG080-S□ |
| ABPF08S08W | ● | 1 | 8 | 4 | 100 | 8 | 30 | 30 | 7.5 | 70 | — | |
| ABPF08S08W-115-50 | ● | 1 | 8 | 4 | 115 | 8 | 50 | 50 | 7.5 | 65 | — | |
| ABPF08S08WL | ● | 1 | 8 | 4 | 130 | 8 | 65 | 65 | 7.5 | 65 | — | |
| ABPF08S08W-140-75 | ● | 1 | 8 | 4 | 140 | 8 | 75 | 75 | 7.5 | 65 | — | |
| ABPF08S08WL95 | ● | 1 | 8 | 4 | 160 | 8 | 95 | 95 | 7.5 | 65 | — | |
| ABPF08S08W-175-110 | ● | 1 | 8 | 4 | 175 | 8 | 110 | 110 | 7.5 | 65 | — | |
| ABPF10S10W-90-25 | ● | 1 | 10 | 5 | 90 | 10 | 18 | 25 | 9.5 | 65 | — | ZPFG100-SH ZDFG100-S□ |
| ABPF10S10W | ● | 1 | 10 | 5 | 100 | 10 | 18 | 35 | 9.5 | 65 | — | |
| ABPF10S10W-115-50 | ● | 1 | 10 | 5 | 115 | 10 | 18 | 50 | 9.5 | 65 | — | |
| ABPF10S10WL | ● | 1 | 10 | 5 | 140 | 10 | 18 | 75 | 9.5 | 65 | — | |
| ABPF10S10WL95 | ● | 1 | 10 | 5 | 160 | 10 | 18 | 95 | 9.5 | 65 | — | |
| ABPF10S10W-185-120 | ● | 1 | 10 | 5 | 185 | 10 | 18 | 120 | 9.5 | 65 | — | |
| ABPF10S10WL140 | ● | 1 | 10 | 5 | 220 | 10 | 18 | 140 | 9.5 | 80 | — | |
| ABPF12S12W-95-30 | ● | 1 | 12 | 6 | 95 | 12 | 21 | 30 | 11.5 | 65 | — | ZPFG120-SH ZDFG120-S□ |
| ABPF12S12W | ● | 1 | 12 | 6 | 110 | 12 | 21 | 45 | 11.5 | 65 | — | |
| ABPF12S12W-125-60 | ● | 1 | 12 | 6 | 125 | 12 | 21 | 60 | 11.5 | 65 | — | |
| ABPF12S12WL | ● | 1 | 12 | 6 | 150 | 12 | 21 | 85 | 11.5 | 65 | — | |
| ABPF12S12WL100 | ● | 1 | 12 | 6 | 200 | 12 | 21 | 100 | 11.5 | 100 | — | |
| ABPF12S12WL120 | ● | 1 | 12 | 6 | 200 | 12 | 21 | 120 | 11.5 | 80 | — | |
| ABPF12S12WL150 | ● | 1 | 12 | 6 | 220 | 12 | 21 | 150 | 11.5 | 70 | — | |
| ABPF16S16W-105-35 | ● | 1 | 16 | 8 | 105 | 16 | 27 | 35 | 15 | 70 | — | ZPFG160-SH ZDFG160-S□ |
| ABPF16S16W-120-50 | ● | 1 | 16 | 8 | 120 | 16 | 27 | 50 | 15 | 70 | — | |
| ABPF16S16W60 | ● | 1 | 16 | 8 | 130 | 16 | 27 | 60 | 15 | 70 | — | |
| ABPF16S16WL80 | ● | 1 | 16 | 8 | 160 | 16 | 27 | 80 | 15 | 80 | — | |
| ABPF16S16WL100 | ● | 1 | 16 | 8 | 200 | 16 | 27 | 100 | 15 | 100 | — | |
| ABPF16S16WE | ● | 1 | 16 | 8 | 200 | 16 | 27 | 120 | 15 | 80 | — | |
| ABPF16S16WE150 | ● | 1 | 16 | 8 | 220 | 16 | 27 | 150 | 15 | 70 | — | |
| ABPF16S16W-250-180 | ● | 1 | 16 | 8 | 250 | 16 | 27 | 180 | 15 | 70 | — | |
| ABPF20S20W-120-40 | ● | 1 | 20 | 10 | 120 | 20 | 35 | 40 | 19 | 80 | — | ZPFG200-SH ZDFG200-S□ |
| ABPF20S20W-140-60 | ● | 1 | 20 | 10 | 140 | 20 | 35 | 60 | 19 | 80 | — | |
| ABPF20S20W80 | ● | 1 | 20 | 10 | 160 | 20 | 35 | 80 | 19 | 80 | — | |
| ABPF20S20WL100 | ● | 1 | 20 | 10 | 220 | 20 | 35 | 100 | 19 | 120 | — | |
| ABPF20S20WL120 | ● | 1 | 20 | 10 | 220 | 20 | 35 | 120 | 19 | 100 | — | |
| ABPF20S20WE | ● | 1 | 20 | 10 | 250 | 20 | 35 | 150 | 19 | 100 | — | |
| ABPF20S20W-270-190 | ● | 1 | 20 | 10 | 270 | 20 | 35 | 190 | 19 | 80 | — | |
| ABPF20S20WE220 | ● | 1 | 20 | 10 | 300 | 20 | 35 | 220 | 19 | 80 | — | |
| ABPF25S25W-130-50 | ● | 1 | 25 | 12.5 | 130 | 25 | 43 | 50 | 24 | 80 | — | ZPFG250-SH ZDFG250-S□ |
| ABPF25S25W-160-80 | ● | 1 | 25 | 12.5 | 160 | 25 | 43 | 80 | 24 | 80 | — | |
| ABPF25S25W100 | ● | 1 | 25 | 12.5 | 220 | 25 | 43 | 100 | 24 | 120 | — | |
| ABPF25S25WL120 | ● | 1 | 25 | 12.5 | 220 | 25 | 43 | 120 | 24 | 100 | — | |
| ABPF25S25WL150 | ● | 1 | 25 | 12.5 | 250 | 25 | 43 | 150 | 24 | 100 | — | |
| ABPF25S25WE | ● | 1 | 25 | 12.5 | 300 | 25 | 43 | 190 | 24 | 110 | — | |
| ABPF25S25W-300-220 | ● | 1 | 25 | 12.5 | 300 | 25 | 43 | 220 | 24 | 80 | — | |
| ABPF30S32W-160-80 | ● | 1 | 30 | 15 | 160 | 32 | 55 | 80 | 29 | 80 | — | ZPFG300-SH ZDFG300-S□ |
| ABPF30S32W100 | ● | 1 | 30 | 15 | 180 | 32 | 55 | 100 | 29 | 80 | 0.7° | |
| ABPF30S32W120 | ● | 1 | 30 | 15 | 220 | 32 | 55 | 120 | 29 | 100 | 0.6° | |
| ABPF30S32WL150 | ● | 1 | 30 | 15 | 250 | 32 | 55 | 150 | 29 | 100 | 0.4° | |
| ABPF30S32W-260-180 | ● | 1 | 30 | 15 | 260 | 32 | 55 | 180 | 29 | 80 | — | |
| ABPF30S32W-290-210 | ● | 1 | 30 | 15 | 290 | 32 | 55 | 210 | 29 | 80 | — | |
| ABPF30S32WE | ● | 1 | 30 | 15 | 350 | 32 | 55 | 230 | 29 | 120 | 0.3° | |
| ABPF32S32W120 | ● | 1 | 32 | 16 | 200 | 32 | 58 | 120 | 31 | 80 | — | ZPFG320(-G□) ZDFG320-W□ |
| ABPF32S32WL150 | ● | 1 | 32 | 16 | 250 | 32 | 58 | 150 | 31 | 100 | — | |
| ABPF32S32WE220 | ● | 1 | 32 | 16 | 300 | 32 | 58 | 220 | 31 | 80 | — | |
■ アンダーネックタイプ Under neck type

| 商品コード Item code |
在庫 Stock |
インサート数 No.of inserts |
寸法 Size(mm) | 適用インサート Inserts |
|||||||
|---|---|---|---|---|---|---|---|---|---|---|---|
| DC | RE | LF | DCONMS | LB2 | LH | BD3 | LS | ||||
| ABPFU16W220 | ● | 1 | 16 | 8 | 220 | 15 | 27 | 39 | 15 | 181 | ZPFG160-SH ZDFG160-S□ |
| ABPFU20W270 | ● | 1 | 20 | 10 | 270 | 18 | 35 | 51 | 19 | 219 | ZPFG200-SH ZDFG200-S□ |
| ABPFU25W300 | ● | 1 | 25 | 12.5 | 300 | 23 | 43 | 61 | 24 | 239 | ZPFG250-SH ZDFG250-S□ |
| ABPFU30W300 | ● | 1 | 30 | 15 | 300 | 28 | 55 | 73 | 29 | 227 | ZPFG300-SH ZDFG300-S□ |
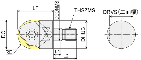
■ モジュラーミルタイプ Modular Mill type

| 商品コード Item code |
在庫 Stock |
インサート数 No.of inserts |
寸 法 Size(mm) | 適用インサート Inserts |
||||||||
|---|---|---|---|---|---|---|---|---|---|---|---|---|
| DC | RE | LF | DCONMS | THSZMS | DHUB | L1 | L2 | DRVS | ||||
| ABPFM10 | ● | 1 | 10 | 5 | 26 | 6.5 | M6 | 9.8 | 5.5 | 14.5 | 7 | ZPFG100-SH ZDFG100-S□ |
| ABPFM12 | ● | 1 | 12 | 6 | 26 | 6.5 | M6 | 9.8 | 5.5 | 14.5 | 7 | ZPFG120-SH ZDFG120-S□ |
| ABPFM16 | ● | 1 | 16 | 8 | 32 | 8.5 | M8 | 12.8 | 5.5 | 17 | 10 | ZPFG160-SH ZDFG160-S□ |
| ABPFM20 | ● | 1 | 20 | 10 | 38 | 10.5 | M10 | 17.8 | 5.5 | 19 | 15 | ZPFG200-SH ZDFG200-S□ |
| ABPFM25 | ● | 1 | 25 | 12.5 | 38 | 12.5 | M12 | 20.8 | 5.5 | 22 | 17 | ZPFG250-SH ZDFG250-S□ |
| ABPFM30 | ● | 1 | 30 | 15 | 43 | 17 | M16 | 28.8 | 6 | 23 | 22 | ZPFG300-SH ZDFG300-S□ |
| ABPFM32 | ● | 1 | 32 | 16 | 43 | 17 | M16 | 28.8 | 6 | 23 | 22 | ZPFG320(-G□) ZDFG320-W□ |

| 商品コード Item code |
在庫 Stock |
インサート数 No.of inserts |
寸 法 Size(mm) | 適用インサート Inserts |
||||||||
|---|---|---|---|---|---|---|---|---|---|---|---|---|
| DC | RE | LF | DCONMS | THSZMS | DHUB | L1 | L2 | DRVS | ||||
| ABPFM10-M6H | ● | 1 | 10 | 5 | 26 | 6.5 | M6 | 9.8 | 5.5 | 14.5 | 7 | ZPFG100-SH ZDFG100-S□ |
| ABPFM12-M6H | ● | 1 | 12 | 6 | 26 | 6.5 | M6 | 9.8 | 5.5 | 14.5 | 7 | ZPFG120-SH ZDFG120-S□ |
| ABPFM16-M8H | ● | 1 | 16 | 8 | 32 | 8.5 | M8 | 12.8 | 5.5 | 17 | 10 | ZPFG160-SH ZDFG160-S□ |
| ABPFM20-M10H | ● | 1 | 20 | 10 | 38 | 10.5 | M10 | 17.8 | 5.5 | 19 | 15 | ZPFG200-SH ZDFG200-S□ |
| ABPFM25-M12H | ● | 1 | 25 | 12.5 | 38 | 12.5 | M12 | 20.8 | 5.5 | 22 | 17 | ZPFG250-SH ZDFG250-S□ |
| ABPFM30-M16H | ● | 1 | 30 | 15 | 43 | 17 | M16 | 28.8 | 6 | 23 | 22 | ZPFG300-SH ZDFG300-S□ |
【注意】モジュラーミル及び専用シャンク、専用アーバの「工具端面」「モジュラーネジ部」にグリースなどの潤滑剤は塗布しないでください。
【Note】Do not apply lubricants such as grease, etc. to the "contact faces" and "modular screws" of the "modular mill", "dedicated shanks" and "dedicated arbor"
● 印 :標準在庫品です。 ●: Stocked items.
無印 :弊社営業へお問合せください。No mark : Contact with our sales department.
− 印 :製作致しません。 − : Not manufactured.
| แบรนด์สินค้า | MOLDINO |
|---|
■ 鋼シャンク Steel Shank


■ 超硬シャンク Carbide Shank

■ アンダーネックタイプ Under neck type

■ モジュラーミルタイプ Modular Mill type

