
Intuitive Usability,Great Scalability
A portable surface roughness tester designed like a hand tool for easy on-site use
The SJ-200 series of portable surface roughness measuring instruments that has contributed to industrial development and technological progress through precision measurements, has evolved further still.While maintaining excellent portability and ease of use on-site, it also provides touch screen functionality for intuitive operability. Equipped with a built-in battery, it can perform measurements in environments where power is not available and can be used approximately 1000 times on a full charge.Cableless and paperless work is made possible by using the U-WAVE-TIB, a Mitutoyo wireless data transmitter.This is a user-friendly device that provides compatibility and versatility to meet diverse manufacturing needs.
![]() |
![]() |
![]() |
User-friendly
Simple and easy for anyone to use.Convenient portability and onetouch measurement functionality have been updated for comfortable operability.
Measurements can be taken on-site, so there is no need to transport large and heavy workpieces.Light and compact, the SJ-220 is easy to carry and allows for simple one-touch measurement. The large, easy-to-read display supports touch operation, allowing for intuitive and smooth measurement.The SJ-220 also includes functions such as disabling the touch screen and setting shortcuts using the
HOME key.The versatility of the SJ-220 makes it suitable for a variety of measurement solutions.
|
Intuitive operation through touch screen The device is equipped with a touch screen and a new user interface. You can perform operations like changing the display screen and adjusting the settings with your fingertip. In addition to touch operations, the SJ-220 also supports flick and swipe operations, making it easy for anyone to perform measuring work. You can also disable the touch screen operation by holding down the PAGE key. |
![]() |
|
Large display is easy to see and use The screen size has been expanded to 2.8 inches, achieving high visibility while maintaining a compact device size for use with one hand. The backlight makes the screen clear and easy to see even in dimly lit locations. You can also change the screen display orientation from vertical to horizontal. |
![]() |
|
Includes buttons in addition to the touch screen for further accessibility Even if you are wearing gloves and unable to use the touch screen, you can still operate the SJ-220 using the physical buttons. With the addition of the HOME key, you can jump to the Home screen with one touch, display the daily menu, and call up calibration measurements and measurement conditions. |
![]() |

|
Battery powered to enable measurement anywhere Equipped with a built-in battery, the SJ-220 can perform measurements even in environments where power is not available.On a full charge, it can be used to perform measurements approximately 1000 times. |
Compatible with new standard ISO 21920 In addition to conventional roughness standards, the SJ-220 supports the new surface texture standard ISO 21920. |
![]() |
|
Supports 25 languages In this model, we have added Thai, Vietnamese, Indonesian, and Malay to the number of languages supported,making it a multilingual device for use in 25 languages. You can easily switch languages from the HOME screen.Additionally, the accompanying CD-ROM includes a user's manual in 3 languages |
![]() |
Compatibility
Connectable and convenient.High-speed transmission of measurement data.Significantly strengthened communication functions.
The optional U-WAVE_TIB wireless data transmitter that enables Bluetooth communciation is now available for bidirectional communications without the need to connect a cable.
By connecting the SJ-220 to a smartphone or PC using the optional U-WAVE-TIB, you can further improve the efficiency of measurement work.With new bidirectional communication capabilities, along with USB and RS-232 communication protocals still available, you can build a communication environment to suit your on-site circumstances and needs.
Wireless connectivity now available for increased measurement efficiency.
Optional U-WAVE-TIB transmitter allows for wireless displaying of measurement results, setting measurement conditions, and bidirectional communication. By attaching the optional wireless communication unit, it is possible to have wireless communication via Bluetooth® with a device (PC or smartphone) on which the dedicated app* is installed. In addition to receiving measurement results, the terminal side can also send measurement condition settings and measurement start information, allowing for cableless measurement work.
*"SJ-App" (for smartphones [Android 12 or later]), "SJ-Communication-Tool" (for PC [Windows 10/11]): See pages 8-9 for details.

USB communication for sending and receiving measurement data
Bidirectional communication is possible by connecting the SJ-220 to a PC with a USB cable and installing the dedicated app "SJ-Communication-Tool". Measurement work can be made more efficient by setting measurement conditions on the PC.
*The USB connector also serves as a charging port.

Compatible with Digimatic interface
SPC output of measurement results is possible by connecting to an optional Digimatic Mini Processor using the Digimatic Connection Cable.
The SJ-220 also has an automatic Digimatic output function.*
* The SJ series can only output results for one roughness parameter.

Versatility
Expand functionality by linking to a smartphone, PC, or similar device.
Mitutoyo provides the "SJ-App" and "SJ-Communication-Tool" as dedicated apps to expand remote operation and the scope of measurement result utilization.By installing the optional U-WAVE-TIB wireless transmitter, the SJ-220 can be linked to a smartphone, PC, etc., supporting expanded functionality and more efficient measurements. The dedicated apps can be downloaded for free from the Mitutoyo website
Dedicated "SJ-APP" for increased efficiency of measurement work
The dedicated app that enables communication with the SJ-220 is equipped with various functions to increase work efficiency.It is also possible to manage data, create inspection reports, and export to CSV and PDF files on the terminal.

Added convenience by linking to PC with highly functional free software, "SJ-Communication-Tool"
Mitutoyo provides free software that allows you to import various data (measurement conditions, parameter settings, calculation results, measurement data) from the SJ-220 to create and edit inspection reports on your PC. This software can significantly reduce the time it takes for you to create reports.

|
Utilization of QR codes A QR code can be displayed on the inspection report and used for data management such |
![]() |
FORMTRACEPAK-AP to support advanced analysis
It is possible to perform more advanced analysis by loading the SJ-220 measurement data into the analysis program FORMTRACEPAK-AP for evaluation type surface roughness/contour measuring devices

Using MeasurLink® to achieve quality visualization
By using MeasurLink®, data from measurement devices connected to the network can be collected and centrally managed in real time. Statistical processing can be performed to achieve visualization of quality.

|
Functional Introduction for Each Drive Unit Type Detectors and drive units for conventional devices can be used. Detectors can be easily replaced. |
![]() |
|
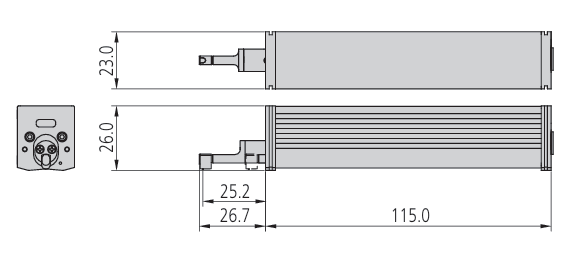
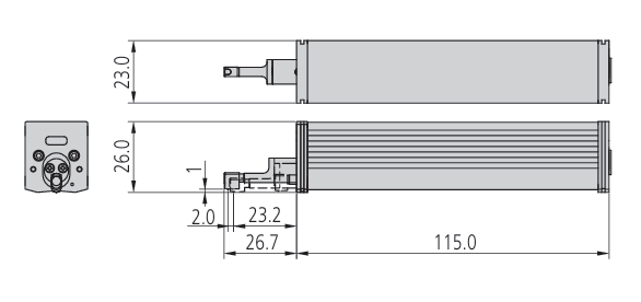
Standard Drive Unit Type Can be connected to the SJ-220, SJ-210, and SJ-310 detectors and calculation display units. |
![]() |
|
Retractable Drive Unit Type By retracting the detector upward in advance, it is possible to place the tester without the detector coming into contact with the workpiece. |
![]() |
|
Transverse Tracing Drive Unit Type Lateral movement of the detector enables axial measurement of roughness for crankshafts, etc. |
![]() |
Example of Combination with Height Gage
When used in combination with a Height Gage, a variety of measurements can be performed

Drive unit stored inside display unit (Standard detector installed in drive unit)

Drive unit not stored inside display unit (Standard detector installed in drive unit)

Drive unit attached with detector
| Standard drive unit with detector | Retractable drive unit with detector | Transverse tracing drive unit with detector |
![]() |
![]() |
![]() |
* External dimensions for the models with standard detector conforming to each drive unit.